Особенности насадки болгарка для бензопилы
С помощью такого механизма можно соединить в одном устройстве целых два – бензиновую мощность основного агрегата – самой пилы, и множество преимуществ углошлифовальной машинки, известной больше как болгарка. Такая комбинация может стать чрезвычайно выгодной, если есть необходимость произвести режущие работы с различными материалами и конструкциями (не деревянными), а вблизи не оказывается источники электроснабжения, к которому можно было бы подсоединить обычную сетевую болгарку.
Бензорез из пилы с насадкой можно использовать для разрезания таких материалов:
- металл;
- природный камень;
- кирпич;
- бетонные и железобетонные конструкции.
Кроме того, очень часто их приспосабливают для зачистки сварочных швов. С большинством имеющихся на сегодня насадок применяются отрезные круги – армированные или алмазные, и циркулярные пилы.
- Записи сообщества
- Поиск
Насадка на бензопилу запись закреплена
Дебаркер фреза на болгарку — УШМ (125, 150, 180) для работы с деревом, используется с целью выпиливания пазов, грубого выравнивания кромки, вырезания чаш для срубов, в том числе для фигурной обработки скульптур из дерева Производство: «Нылгинский механический завод» — Россия
Насадка на бензопилу запись закреплена
Ваши положительные отзывы — делают нас лучше
Насадка на бензопилу запись закреплена
Насадка рубанок НМЗ на бензопилу Насадка рубанок предназначена для равномерной обработки доски, бруса и других деревянных поверхностей.
Установленные на барабане ножи можно регулировать по выступу регулируя глубину среза. Показать полностью.
Конструкция рубанка удобно крепится взамен пильной шины на бензопилу. Компактна и удобна в транспортировке. Надежна и проста в использовании.
удобная и выгодная покупка на сайте или VK доставка Почтой России или ТК СДЭК оплата картой на сайте benzoshop.ru или VK pay работаем с 2021 года, гарантия от производителя
Насадка на бензопилу запись закреплена
Насадка болгарка НМЗ (бензорез) на бензопилы Штиль — Россия
Данная насадка позволяет использовать бензопилу для работ по абразивной резке метала, камня, пластика, для зачистки швов после сварки Показать полностью.
удобная и выгодная покупка на сайте или VK доставка Почтой России или ТК СДЭК оплата картой на сайте benzoshop.ru или VK pay работаем с 2021 года, гарантия от производителя
Насадка на бензопилу запись закреплена
Насадка дебаркер НМЗ на бензопилу Одна из лучших насадок, в этом году стала очень популярной у отечественных и иностранных покупателей.
Используется как дополнительное оборудование на бензопилы серийного производства. Показать полностью.
— окантовка лесоматериала, — резьба монтажных чашек, — удаление коры с бревен, — обрезание сучьев и наростов, — вырезание паза, — фигурная резьба по дереву и т.д.
Удобная установка на бензопилу, и позволяет с минимальными усилиями, например, подготовить бревно для укладки в венец, а при правильном использовании насадка дебаркер позволяет вытачивать качественные и точные монтажные чашки и пазы, что исключает возникновение больших межвенцовых щелей, повышает прочность конструкции
Дебаркер для бензопилы значительно экономит силы, время, что может позволить обработать большой объем бревен самостоятельно
Производится в России, ООО «Нылгинский механический завод»
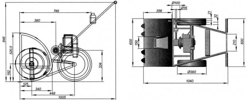
Мотокультиватор, снегоуборщик, ледобур и буроям своими руками
Мотор из бензопилы отлично подойдет и для создания мотокультиватора, предназначенного для вспашки целины (для легких грунтов). Для работы с плотными и влажными почвами мощности и крутящего момента двигателя скорее всего не хватит, а вот для взрыхления поверхностного слоя и удаления оставшихся в земле корней бурьянов культиватора из бензопилы будет достаточно. Главной деталью устройства является вращающаяся фреза, за счет которой и происходит передвижение техники по участку.
Чертеж снегоуборщика выполненного своими руками с применением бензопилы.
Если в культиваторе заменить вал с лемехами на шнек, а также оснастить конструкцию заборным устройством и трубой для откидывания снега, культиватор превращается в снегоуборочную машину. Мотора от любой пилы мощностью 3-5 лошадиных сил будет более чем достаточно для уборки рыхлого снега на участке
Важно только выполнить удобный шнековый механизм. Для этого чаще всего применяются лопасти, изготовленные из толстой резины. В качестве заборного устройства подойдут детали из оцинкованной стали
Выброс снега легко осуществить, установив пластмассовую трубу большого диаметра
В качестве заборного устройства подойдут детали из оцинкованной стали. Выброс снега легко осуществить, установив пластмассовую трубу большого диаметра.
Бурить лед или промерзшую землю ручным инструментом – довольно долгое и физически сложное занятие. Создание мотобура своими руками значительно упростит выполнение этой задачи. В этом случае, помимо мотора, необходимо иметь редуктор, регулирующий количество оборотов в минуту, потому как такого сильного вращения, как у бензопилы, устройству не требуется.
На заметку! Если не имеется достаточного количества знаний относительно работы редуктора, можно обратиться за помощью к инженеру, который поможет правильно выбрать нужный механизм. Необходимый тип прибора подбирается в зависимости от характеристик мотора.
Для создания мото- или ледобура своими руками, первое, что потребуется сделать, – выполнить надежный корпус, представляющий собой усеченную пирамиду, состоящую из двух прямоугольников различных размеров. Понадобятся болгарка, сварочный аппарат и металлические трубы. Именно внутри этой рамы и будет устанавливаться редуктор, соответственно, габариты корпуса напрямую будут зависеть от размеров редуктора.
Буроям из бензопилы станет незаменимым помощников в хозяйстве.
Для надежности специалисты рекомендуют в качестве шнека взять деталь от хорошего мотобура, выполненную из прочной стали, потому как низкокачественный материал не выдержит больших нагрузок. Другой важный вопрос – надежное крепление бура, которое можно осуществить при помощи обыкновенной трубы, зафиксированной с двух сторон шпонками или шпильками. Такой способ крепления позволит менять буры или использовать другие приспособления для работы.
Полезные советы
При изготовлении своими руками такого механизма, как болгарка из бензопилы, следует пользоваться исключительно хорошими материалами. Бывший в эксплуатации защитный кожух дает некую гарантию прикрытия и сохранности.
Что касается шлифовальных кругов, то лучше отдавать предпочтение с диаметром 115 мм. Такие диски способны выдерживать высокую скорость вращения, в отличие от кругов с диаметром 230 мм. Большие увеличивают шанс выхода из строя оборудования.
Болгарку из пилы, выполненную своими силами, можно применять для обработки древесины, операций с металлическими изделиями, работы с камнем, кирпичом и другие строительные работы.
В результате такого занятия человек получает ценный опыт, а также многофункциональное производительное оборудование, которое можно широко эксплуатировать в домашнем хозяйстве. Такой помощник, как болгарка из бензопилы, существенно облегчает жизнь и экономит финансовые средства человека.
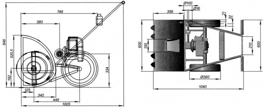
Мотокультиватор, снегоуборщик, ледобур и буроям своими руками
Мотор из бензопилы отлично подойдет и для создания мотокультиватора, предназначенного для вспашки целины (для легких грунтов). Для работы с плотными и влажными почвами мощности и крутящего момента двигателя скорее всего не хватит, а вот для взрыхления поверхностного слоя и удаления оставшихся в земле корней бурьянов культиватора из бензопилы будет достаточно. Главной деталью устройства является вращающаяся фреза, за счет которой и происходит передвижение техники по участку.
Чертеж снегоуборщика выполненного своими руками с применением бензопилы.
Если в культиваторе заменить вал с лемехами на шнек, а также оснастить конструкцию заборным устройством и трубой для откидывания снега, культиватор превращается в снегоуборочную машину. Мотора от любой пилы мощностью 3-5 лошадиных сил будет более чем достаточно для уборки рыхлого снега на участке
Важно только выполнить удобный шнековый механизм. Для этого чаще всего применяются лопасти, изготовленные из толстой резины
В качестве заборного устройства подойдут детали из оцинкованной стали
Выброс снега легко осуществить, установив пластмассовую трубу большого диаметра
В качестве заборного устройства подойдут детали из оцинкованной стали. Выброс снега легко осуществить, установив пластмассовую трубу большого диаметра.
Бурить лед или промерзшую землю ручным инструментом – довольно долгое и физически сложное занятие. Создание мотобура своими руками значительно упростит выполнение этой задачи. В этом случае, помимо мотора, необходимо иметь редуктор, регулирующий количество оборотов в минуту, потому как такого сильного вращения, как у бензопилы, устройству не требуется.
На заметку! Если не имеется достаточного количества знаний относительно работы редуктора, можно обратиться за помощью к инженеру, который поможет правильно выбрать нужный механизм. Необходимый тип прибора подбирается в зависимости от характеристик мотора.
Для создания мото- или ледобура своими руками, первое, что потребуется сделать, – выполнить надежный корпус, представляющий собой усеченную пирамиду, состоящую из двух прямоугольников различных размеров. Понадобятся болгарка, сварочный аппарат и металлические трубы. Именно внутри этой рамы и будет устанавливаться редуктор, соответственно, габариты корпуса напрямую будут зависеть от размеров редуктора.
Буроям из бензопилы станет незаменимым помощников в хозяйстве.
Для надежности специалисты рекомендуют в качестве шнека взять деталь от хорошего мотобура, выполненную из прочной стали, потому как низкокачественный материал не выдержит больших нагрузок. Другой важный вопрос – надежное крепление бура, которое можно осуществить при помощи обыкновенной трубы, зафиксированной с двух сторон шпонками или шпильками. Такой способ крепления позволит менять буры или использовать другие приспособления для работы.
Обзор насадок и их особенности: садовые ножницы, кородер и короед

Среди прочих насадок для бензопилы следует выделить садовые ножницы, с помощью которых можно подрезать декоративные кусты и живую изгородь. Рабочий орган имеет длину в 55 см, а вес насадки составляет всего лишь 2 кг. Полученный инструмент позволяет резать 2-см ветки.
Еще одной насадкой для бензопилы является кородер. Он представляет собой приспособление для удаления наростов и коры разного происхождения. С помощью такого дополнения можно вырезать чашки, пазы и строгать бревна. Насадка довольно проста в эксплуатации и очень надежна. Установить ее вы сможете за каких-то 5 минут, но при этом необходимо следовать инструкции по эксплуатации. Приобрести кородер можно за цену от 1260 руб.
Одна из самых популярных насадок для бензопилы – это короед. Это специальная фрезерная головка для обработки брусьев, бревен и досок. С помощью короеда можно вырезать чашки и пазы. Насадка реализуется в комплекте с ремнем и применяется для инструментов, которые обладают на цепи звездочкой с шестью лучами. Насадка позволяет еще и шкурить дерево. Приобрести ее можно за 1600 руб.
Как правильно распилить бревно
Следующий этап после валки дерева – его распиловка. Проводить ее требуется, следуя определенным правилам и по схеме.
Продольное пиление на доски
Как несложно догадаться, доски получаются при продольном роспуске бревна. Поскольку потребуется продольное пиление, то и пильная цепь должна быть соответствующего типа. Чтобы роспуск ствола на доски был точным, используется специальное приспособление для распиловки бревен Big Mill, показанное на следующем рисунке.
С его помощью возможна распиловка бревна диаметром до 500 мм. Толщина получаемой доски выставляется по специальной линейке, нанесенной на стойках приспособления. Его можно приобрести уже в готовом виде или же сделать своими руками, посмотрев это видео.
Чтобы распустить бревно на доски, равные по толщине, проделайте следующее.
- Возьмите 2 ровные доски и соедините их под углом 90 градусов, чтобы получилась Т-образная конструкция, как показано на следующем фото. Она будет служить линейкой и позволит перемещаться бензопиле ровно. Доски скручиваются с учетом размеров приспособления для продольного реза так, чтобы пила не касалась линейки и проходила на 10 мм выше нее.
- Изготовьте 2 Г-образные детали, которые будут служить упорами, предотвращающими вращение бревна. Доски можно соединить металлическими уголками.
- Закатите бревно на ранее подготовленные подставки (можно использовать бревна небольшого диаметра). Конечно же, если диаметр бревна большой, то сделать это одному будет не под силу.
- Прикрутите к обоим торцам бревна Г-образные упоры с помощью длинных саморезов. Гвозди использовать не рекомендуется, поскольку после первого продольного пропила придется перенастраивать всю конструкцию.
- Т-образная линейка крепится к упорам с помощью струбцин.
- На линейку устанавливается бензопила с ранее закрепленным не ней приспособлением.
- На приспособлении выставьте толщину доски, которую вы хотите получить на выходе. При этом необходимо учитывать толщину пилы и зазор в 10 мм между полотном и линейкой.
- Поверните бревно на 30° от себя. Под наклоном процесс пиления будет более удобным.
- На следующем этапе требуется распилить бревно вдоль.
- Отсоедините линейку, раскрутив струбцины, открутите упоры от торцов бревна.
- Положите Т-образную линейку на получившуюся после пропила плоскость. Закрепите направляющую при помощи саморезов.
- Зафиксировав бревно, чтобы оно не катилось, проделайте второй продольный рез. Он будет перпендикулярным по отношению к первой получившейся плоскости. Если таким образом проделать третий и четвертый рез, каждый раз поворачивая бревно и устанавливая линейку, можно ровно отпилить брус (балку) квадратного сечения.
- Если требуется распил бревна на доски, то после второго продольного реза линейка убирается и используется лишь приспособление. В таком случае одна из плоскостей будет служить направляющей, и на выходе вы получите полуобрезную доску.
Поперечная распиловка бревна
Для резки бревен поперек волокон необходимо установить на агрегат пильную цепь для поперечного реза. В основном, поперечный рез используется для пилки дров. Получаются небольшие цилиндры, которые в дальнейшем раскалываются на дрова. Чтобы было удобно пилить дрова, бревно укладывают на козлы высотой 600-800 мм.
Таким же образом проводится и торцовка бруса.
Схема распиловки бревен
Ниже приведена схема, на которой показано, как правильно производится роспуск бревна на доски и брусья.
Данная операция может выполняться несколькими способами.
- Выпиливание бруса квадратного сечения происходит из ядровой части бревна.
- Чтобы получить 2 прямоугольных бруса, квадратный брус распиливается на 2 части.
- Распилив бревно крест-накрест, можно получить 4 бруса.
- Данный тип распиловки называется “вразвал” и используется на лесопильных рамах. Все доски получаются необрезные.
- При данном типе распила бревна можно получить двухкантный брус, а также несколько необрезных досок и пару горбылей.
- Сложная по своему исполнению радиальная распиловка. Характерная особенность досок при такой распиловке – вертикальные годичные кольца.
- Двухкантный брус распускается на обрезные доски и 2 обзола.
- У досок, имеющих горизонтальное расположение годичных колец, лицевой стороной называют ту, что повернута к центру бревна (сердцевине), а тыльной – повернутую к заболони (так называется периферия ствола).
Дебаркер, кородер чашкорез для бензопилы: насадки для обработки древесины
Специальные виды насадок на бензопилу для снятия коры со спиленных бревен и проделывания продольных и поперечных пазов, называется кородером или дебаркером. Изделия бывают двух вариантов исполнения — дисковые и барабанные. Каждый вариант имеет соответствующее предназначение, однако для их обозначения используется общее название дебаркер.
Барабанные дебаркеры используются для удаления с бревен и досок коры, а дисковые за счет специфики конструкции предназначены непосредственно для вырезания монтажных пазов, чаш и углублений. Более подробно познакомимся с моделями по-отдельности.
Насадки дискового типа представляют собой круглую фрезу с выемками, в которых расположены лезвия. Такие устройства еще называют чашкорезами. Диск фиксируется на шпинделе при помощи контргайки. В действие приводится механизм от ременной передачи.
Такие устройства можно применять не только для проделывания пазов в древесине, но и для снятия коры. Однако для реализации последней функции потребуются большие затраты времени и сил, поэтому лучше использовать кородер, описание которого представлено ниже. Чашеобразный дебаркер или фигурная фреза используется для художественной резки и изготовления деревянных скульптур.
Как выглядит такой инструмент в работе, можно посмотреть на видео ниже.
Средняя стоимость таких насадок составляет 40-50 долларов. Однако есть модели дороже, которые отличаются высокой износоустойчивостью материалов.
Дебаркеры на бензопилу барабанного типа (их еще называют кородерами и окаривателями) представляют собой цилиндрические элементы с несколькими пазами, в которых установлены лезвия. Количество ножей зависит от модификации насадки. Их может быть 2 или 4. Основная цель таких устройств — снятие коры с бревен.
Как и насадки дискового типа, барабанные устройства приводятся в действие также от ременной передачи. Принцип установки насадки кородер на бензопилу, а также особенности ее применения, можно посмотреть на видео.
Основные параметры кородеров для бензопилы:
- вес. Средний их вес составляет около 3 кг;
- минимальная мощность двигателя бензопилы. Не рекомендуется использовать устройства на бензопилах с моторами, мощность которых ниже 3 л.с.;
- скорость работы. Оптимальная скорость составляет 8000 об/мин;
- рабочая ширина. Составляет 12 см.
Монтаж насадки выполняется довольно легко. Для этого необходимо снять шину с цепью, а также поменять штатную звездочку на шкив. Стоимость изделий начинается от 30 долларов.
Характеристики насадки «лодочный мотор»

Насадка на бензопилу «лодочный мотор» может использоваться совместно с лодками разного назначения. Судна могут быть туристическими, транспортными или хозяйственными. Бензопилу совместно с этой насадкой вы сможете использовать для разных целей, а именно для:
- прогулок по водоему;
- охоты;
- рыбалки;
- перевозки людей и грузов.
Мощности основного инструмента хватит, чтобы развивать на воде скорость до 20 км/ч. Конечное значение будет зависеть от направления ветра, типа лодки, течения и нагруженности. В лодку могут сесть два человека и более. Судно с этой насадкой имеет превосходную маневренность.
Мотор бензопилы не замерзнет, так как имеет воздушное, а не жидкостное охлаждение. Расход топлива бензопилы будет зависеть от рабочего объема двигателя, технического состояния, длительности и полноты нагрузки. За час вы истратите максимум 1 л. Оптимальная мощность составляет 2 л. с. Передаточное отношение редуктора равно 2 к 1. Число лопастей винта равно 2. Вес насадки не превышает 8 кг. Диаметр винта составляет 150 мм.
Как сделать болгарку самостоятельно?
Более подробно рассмотрим, как сделать болгарку с применением пилы. Болгарка используется в большинстве домашних хозяйств, конечно, не часто, но это очень нужный и полезный инструмент. Бывают ситуации, когда такого инструмента нет под рукой, но имеется бензопила. Тогда можно изготовить болгарку в виде насадки на бензопилу, чтобы использовать для шлифования и резки.
Болгарка на основе пилы является самым простым по изготовлению инструментом. Угловые шлифовальные машины на основе пилы очень популярны. Основными частями такой болгарки являются подшипниковый узел с валом.
Преимущества болгарки из бензопилы:
- Независимость устройства от наличия или отсутствия электрической сети. Такой инструмент можно использовать на любых площадках.
- Производительность болгарки из бензопилы куда выше, чем выработка электрических аналогичных инструментов.
- Стоимость изготовленного устройства гораздо меньше, чем покупка нового прибора соответствующей мощности.
- Процесс изготовления такого оборудования очень простой.
На сегодняшний момент на рынке представлены многочисленные модели дополнительных специальных насадок для бензопилы, которые превращают ее в угловую шлифовальную машинку. Тем более что они предназначены на разные виды бензопил. Таким образом, можно приобрести насадку для соответствующей марки устройства.
Мировые производители бензиновых пил призывают не применять различные переходники и насадки для таких устройств. Связано это с тем, что диски для шлифования предназначены для работы со скоростью 7000 оборотов. А пила имеет возможность выдавать 13000-14000 оборотов. Результатом превышения скорости может быть разрушение диска, которое приведет к поломке инструмента. Также можно получить физические травмы.
Чтобы уменьшить разрушение диска рекомендуются следующие пути решения:
- Применение защитного кожуха.
- Понижение скорости оборотов бензопилы.
Для уменьшения количества оборотов двигателя рекомендуется употреблять редуктор скорости вращения.
Также для снижения быстроты вращения можно установить ведомый шкив наибольшей окружности. Шкив устанавливается на один конец вала. Он вращается с помощью ременной передачи от двигателя. Данный метод помогает избегать непредвиденных ситуаций при заклинивании диска. Ремень начнет проскальзывать на шкиве, когда произойдет остановка диска. При этом не происходит поломка инструмента.
На другом конце вала пилы располагается оправка, которая предназначена для точильных кругов.
Недостатки самодельной болгарки:
- Попадание твердых частиц от работы болгарки внутрь воздушного фильтра двигателя может сказаться на перегреве и поломке пилы. Хотя воздушный фильтр приспособлен к загрязнению древесными опилками при работе бензопилой, металлическая пыль является более негативным фактором.
- Возможность получения физического и материального ущерба при работе с болгаркой на основе бензопилы.
Видео: насадка-болгарка для бензопилы, установка и работа.
Обзор насадок и их особенности: садовые ножницы, кородер и короед

Среди прочих насадок для бензопилы следует выделить садовые ножницы, с помощью которых можно подрезать декоративные кусты и живую изгородь. Рабочий орган имеет длину в 55 см, а вес насадки составляет всего лишь 2 кг. Полученный инструмент позволяет резать 2-см ветки.
Еще одной насадкой для бензопилы является кородер. Он представляет собой приспособление для удаления наростов и коры разного происхождения. С помощью такого дополнения можно вырезать чашки, пазы и строгать бревна. Насадка довольно проста в эксплуатации и очень надежна. Установить ее вы сможете за каких-то 5 минут, но при этом необходимо следовать инструкции по эксплуатации. Приобрести кородер можно за цену от 1260 руб.
Одна из самых популярных насадок для бензопилы — это короед. Это специальная фрезерная головка для обработки брусьев, бревен и досок. С помощью короеда можно вырезать чашки и пазы. Насадка реализуется в комплекте с ремнем и применяется для инструментов, которые обладают на цепи звездочкой с шестью лучами. Насадка позволяет еще и шкурить дерево. Приобрести ее можно за 1600 руб.
Подготовка оборудования и материалов
Прежде, чем изготовить бур из бензопилы, следует тщательно подготовить нужные для работы материалы и инструменты. С материалов вам потребуется:
- Исправная бытовая бензопила;
- Редуктор;
- Цельный стальной лист, или фанера, толщиной 2 см;
- Комплект различных крепежей;
- Металлическая трубка;
- Стальная труба, диаметром 15 см;
- Металлическая трубка, длиной 25 см;
- Стальной шнек;
- Прорезиненные утеплители для ручки.
Для работы по изготовлению мотобура из бензопилы обязательно подготовьте такие инструменты:
- Головку на 27;
- Шуруповерт;
- Болгарку;
- Электрический лобзик;
- Шлифовальную машинку;
- Сварочный аппарат;
- Набор насадок для работы с металлом.
Для создания некоторых деталей для мотобура из бензопилы потребуется токарный станок, поэтому нужно заранее договориться с мастером по изготовлению металлических запчастей.
Механизированный рубанок из обычной бензопилы
Эта насадка может пригодиться при возведении сруба для жилого дома или бани. Не секрет, что брёвна с корой стоят дешевле, а значит, экономия здесь будет явной. Пара нехитрых движений ─ и обычная бензопила уже превращается в кородёр.
ФОТО: YouTube.comВот такое приспособление получается после установки насадки
Единственным недостатком пользователи называют быстрый износ цепи. Однако на обустройство одного сруба для жилого дома её вполне хватит. И всё же лучше, если домашний мастер будет использовать старые цепи, которые уже не жалко. Также устройство позволит заточить колья или обработать брус, придав ему гладкость.
ФОТО: YouTube.comВот так работает рубанок, сделанный из бензопилы
Почему стоит выбрать бензопилу
Еще одним преимуществом этого инструмента выступает возможность использования агрегата в любом месте, ведь он работает в автономном режиме. Конструкция имеет удачное исполнение, а ее поломки почти исключаются. Если же у вас есть бензопила, но она простаивает без дела, вы можете ознакомиться со способами ее эксплуатации, используя специальные насадки. Бензопила таким образом становится инструментом с поистине феноменальными возможностями. Посредством приспособлений вы можете бурить грунт, вырабатывать электроэнергию, плавать, обрабатывать почву, ездить и даже летать.
Обзор комплекта и принцип работы
Устанавливая такое устройство, бензопила получает сходу две дополнительные функции. газовый резак и угловая шлифовальная машина. Это оказывается нужным в критериях, когда впрямую подключить обыденную угловую шлифовальную машину к источнику электронного напряжения тяжело, если не нереально.
На приводном валу зубчатого колеса приводной цепной пилы установлен шкив, который с помощью ременного привода кинематически соединен с осью пилы, при этом скорость вращения основного вала не изменяется. Для установления самой насадки употребляются шпильки, которые закрепляют пристальное ленту бензопилы. В промышленных конструкциях рассмотренных форсунок имеются отверстия, размер и размещение которых соответствует характеристикам бензопилы определенного производителя. Размер пилы определяет также больший поперечник пилы, который можно установить.
Насадка к шлифовальной машины до бензопилы включает:
- Шариковый подшипник с глубочайшим канавкой с пылевым покрытием.
- ведомый шкив.
- клиновой ремень.
- Оправка, к которой крепится отрезное колесо (рекомендуется менее 100 50 × 20 два мм).
- Дисковый гаечный ключ и две шпильки.
Насадка для болгарской бензопилы оснащена специальной крепежной канавкой, с помощью которой она крепится к основному инструмента. Используется лицевая планка и гайка с левой нитью.
Наличие насадки позволяет использовать бензопилу для резки камня, стали, строй блоков и других предметов, размеры которых позволяют использовать диск с определенным значением поперечника. Поперечник, в свою очередь, находится в зависимости от марки бензопилы. Для этих целей идеальнее всего подходят пилы Stihl из спектра Stihl-180 к Stihl-250. Это разъясняется особенностями включения бензопил Stihl: поначалу при включении центробежной муфты количество оборотов коленчатого вала составляет около четыре тыщи 500 мин 1: конкретно при этой угловой скорости шпинделя работает более размеренно. Тогда скорость можно прирастить до 7000. Восемь тыщ мин. 1.
READ Как Болгаркой Резать Плитку
Производитель угловых шлифовальных станков для бензопил рекомендует использовать не более 75% от номинальной мощности основного инструмента, не работать без защитного кожуха и не использовать колеса для работ по резке и шлифовки, допустимая скорость вращения которых меньше десять 000 минут. Наличие роликового подшипника, который позволяет производить значимые осевые нагрузки, исключает перекос пилы и заклинивания насадки при долговременной работе.
Виды насадок
Ваша пила по сей день пылиться без дела? Прочитав эту статью. Вы узнаете множество способов использовать ее не только по прямому назначению. Вашему вниманию предаставленно множество насадок на любые марки бензопил.
- Насадка, которая служит для продольного распила древесины в горизонтальной плоскости, дает возможность нарезать бревна на равные части. Жесткость устройства обеспечивает рамной конструкцией.
- Насадка на бензопилу для продольного распила древесины в вертикальной плоскости – это самая простая насадка-адаптер. Не всегда обеспечивает точность распила.
Бензорез
- Бензорез – позволяет распиливать металлы и камень.
- «Дебаркер» – служит для очистки бревен от наростов и коры (барабанный тип насадки) и для вырезки чашек, углублений и пазов (дисковый тип насадки).
- «Лебедка» – насадка, которая поможет вытащить лодку, забуксовавший транспорт, перетащить строительные материалы. Имеет дополнительный блок, служащий для увеличения тяговой силы и смены траектории движения.
- «Водяная помпа» – насадка, которая являет собой центробежный насос мощностью приблизительно пять литров в час. Используется для откачки воды из погребов, полива участка.
- «Мотобур» – предназначен для сверления проруби при подледной рыбалке и создании ям в земле (глубина до 35 см).
- Насадка лодочный мотор на бензопилу предназначена для лодок, которые имеют высоту транца не выше 38 сантиметров.
- «Бензорез» – насадка, предназначенная для превращения в бензопилы в бензорез.
- «Мини-пилорама» – насадка, предназначенная для различного вида распилов древесины. Также, как и насадка рубанок, незаменима для небольших лесозаготовительных производств. Также можно изготовить пилораму своими руками.
Насадка «Кородер»
Кородер для бензопилы используются преимущественно в целях удаления наростов и коры на стволе дерева. Данные насадки для бензопилы помогают быстро вырезать чашки и пазы нужных размеров.
Среди преимуществ этой насадки для бензопилы специалисты выделяют простоту в монтаже и применении. С установкой изделия своими руками справиться даже новичок.
Лебедка
Это еще одно полезное приспособление, которое расширит стандартные функциональные особенности бензопилы. Усилие тяги напрямую зависит от характеристик самой пилы. Максимальное усилие может доходить до двух тонн. Усилие тяги составляет около полутора тысяч килограмм. Длина комплектного троса составляет 30 метров. Размеры устройства небольшие. Рекомендуется устанавливать данную насадку на бензопилу “Штиль” или подобные по техническим характеристикам. Недорогая китайская техника не выдает необходимой мощности.
С помощью такой лебедки можно вытащить застрявший в грязи автомобиль, поднять машину на эвакуатор, поднять лодку на прицеп автомобиля. Используя лебедку, можно перемещать поваленные деревья и перемещать грузы в пространстве.

Инструменты для распила бревна
Выбор подходящего инструмента для распиловки заготовки зависит от многих критериев. К ним относятся:
- объём работы,
- размеры заготовок для распила,
- качество и количество нужного пиломатериала.
Чтобы распилить большое количество заготовок и получить большое количество качественного пиломатериала, разумнее всего воспользоваться пилорамой. Это станок для обработки дерева, рабочим инструментом которого являются разные пилы. Предназначен для продольного распила бревен длиной до 6 метров и диаметром 20-80 см.
На крупных деревообрабатывающих предприятиях с большими объёмами производства используются специализированные линии по распилу дерева. На линии можно распилить разнокалиберные брёвна, получая при этом пиломатериалы точно заданного размера с качественно обработанными поверхностями. Линии характеризуются высокой производительностью.
Для получения небольшого количества пиломатериалов для нужд небольшого хозяйства из бревен длиной 2-3 метра и диаметром 30-50 см можно воспользоваться мотопилой. Необходимо знать, что заточка цепей для продольного распила отличается от заточки для поперечной распиловки.
Для продольной распиловки своими руками можно изготовить деревянный упор — ведущую линейку, которая позволит ровно распилить бревно. Упор представляет собой две деревянные доски, одна из которых закреплена перпендикулярно в середине другой. Приспособление прикручивается к заготовке саморезами так, чтобы верхняя кромка вертикально расположенной доски находилась ниже верхнего края бревна. Разница между верхним краем бревна и верхней кромкой доски и определяет толщину отпиливаемого горбыля.
Виды рабочих насадок
При необходимости заготовку можно распилить бензопилой на доски пользуясь специальными насадками. Рамка для бензопилы крепится на инструмент и предназначена для обеспечения прямолинейного движения при горизонтальном распиле заготовки. Конструкция состоит из:
- направляющей рамки, двигающейся по поверхности, параллельно которой необходимо произвести распил дерева;
- вертикальной стойки, на которой крепится механизм регулировки толщины изделия;
- механизм регулировки толщины, состоящий из рукояток для регулировки и винта, фиксирующего нужный размер;
Возможность выставить точный размер и правильный раскрой бревна позволяют получить доски одинаковой толщины и снизить количество отходов. Для первого распила дерева необходима направляющая рама или ровная прямая доска. В качестве альтернативы можно создать ровную базовую поверхность с помощью топора, электрорубанка и уровня. При последующих распилах базовой поверхностью служит ровная сторона доски, полученная при предыдущем подходе.
Каретка для мотопилы является разновидностью рамки. Она крепится на пилу и имеет дополнительные ролики или колёсики, которые позволяют насадке легче перемещаться по заготовке. Одновременно, упираясь в заготовку, колёсики придают пиле продольного распила устойчивость, позволяя ровно распилить бревно на доски.
Такого рода насадки на бензопилу для продольной распиловки позволяют без особых затрат труда и финансов распилить бревно своими руками. Разновидностями каретки являются мини-пилорамы и портативные лесопилки.




































