Устройство ударной дрели.
Фото-1.Устройство ударной дрели
Устройство ударной дрели,главным образом состоит из корпуса дрели,электродвигателя,щеткодержателей с щетками,редуктора, подшипников,вентилирующей крыльчатки,прижимного патрона,кнопки включения и выключения электродвигателя со встроенным регулятором оборотов и реверса.На фото-1 обозначены следующие позиции:
1.-конденсатор, 2-кнопка включения и выключения электродвигателя, 3-регулятор оборотов двигателя,4-переключатель реверса,5-устройство щеткодержателей с щетками,6-подшипники,7-колектор ротора (якоря),8-обмотка статора электродвигателя,9-крыльчатка встроенного вентилятора,служащая для охлаждения электродвигателя,10-металлический корпус редуктора,11-редуктор,12-возвратная пружина,13-прижимной патрон,14-корпус электрической дрели.
Для того чтобы просверлить в камне или бетоне отверстие,необходимы не только вращательные движения сверла но и поступательные,то есть ударные. Бетон или камень от частых ударов крошится,а сверло продвигается все глубже и глубже в материале,достигая заданной глубины. Принцип работы ударного механизма основан на совершение поступательного и вращательного движения одновременно. Для того, чтобы понять принцип работы ударной дрели,более детально рассмотрим конструкцию редуктора.
Ударный механизм дрели
Фото-2.Конструкция редуктора ударной дрели.
Конструкция редуктора ударной дрели главным образом состоит из большой шестеренки и храповиков (волнистых шайб).При нажатии на кнопку включения, электродвигатель начинает вращаться,приводя в движении шпиндель.От шпинделя двигателя вращательные движения передаются далее на большую шестеренку редуктора к которому жестко прикреплен храповик.
Волнистая поверхность храповика большой шестеренки скользит по волнистой поверхности второго храповика,жестко закрепленного в корпус редуктора,совершая тем самым ударные действия.На фото-2,обозначены следующие позиции:
1-Большая шестеренка редуктора,
2-Храповики,
3-Шпиндель электродвигателя,
4-Подшипник.
Фото-3.Устройство корпуса редуктора.
Как видно, храповик жестко прикреплен в металлический корпус редуктора.На фото-3, обозначены следующие позиции:
1-Храповик
2-Корпус редуктора
3-Шпиндель двигателя.
Фото-4.Устройство большой шестеренки редуктора
Второй храповик жестко прикреплен к большой шестеренки редуктора.Для увеличения продолжительности жизни храповиков,волнистую поверхность необходимо смазать смазкой,типа литол.На фото-4 обозначены следующие позиции:
1-храповик,2-большая шестеренка.
На мой взгляд, ударная дрель это имитация легкого перфоратора,мощностью 700-750 Вт.Почти все перфораторы такой мощности обладают переключателем сверления отверстий без включения ударного механизма.Другими словами,такой перфоратор можно использовать и как простую дрель и как перфоратор,с более совершенным ударным механизмом.Кроме этого, вес такого перфоратора не на много отличается от веса ударной дрели.Может быть,вам лучше обратить свое внимание на покупку такого перфоратора?
РЕКОМЕНДУЕМ выполнить перепост статьи в соцсетях!
Регулятор для индуктивной нагрузки
Тех, кто попытается управлять индуктивной нагрузкой (например, трансформатором сварочного аппарата) при помощи выше указанных схем, ждет разочарование. Устройства не будут работать, при этом вполне возможен выход из строя симисторов. Это связано с фазовым сдвигом, из-за чего за время короткого импульса полупроводниковый ключ не успевает перейти в «открытый» режим.
Существует два варианта решения проблемы:
- Подача на управляющий электрод серии однотипных импульсов.
- Подавать на управляющий электрод постоянный сигнал, пока не будет проход через ноль.
Первый вариант наиболее оптимален. Приведем схему, где используется такое решение.
Схема регулятора мощности для индуктивной нагрузки
Как видно из следующего рисунка, где продемонстрированы осциллограммы основных сигналов регулятора мощности, для открытия симистора используется пакет импульсов.
Осциллограммы входного (А), управляющего (В) и выходного сигнала (С) регулятора мощности
Данное устройство делает возможным использование регуляторов на полупроводниковых ключах для управления индукционной нагрузкой.
Виды схем подключения кнопки дрели
Схема подключения электродрели бывает двух видов. Необходимо ознакомиться с особенностями каждой из них.
Схема подключения выключателя совковой дрели
Схема выключателя поможет правильно подсоединить кнопку к инструменту
Как правило такая схема используется мастерами во время ремонта сломанного инструмента. С ее помощью удастся проверить все функциональные особенности выключателя. Также она позволяет выполнить ремонт после определения причины появления поломки.
Большинство производителей поставляют схему подсоединения выключателя вместе с инструкцией к изделию. Однако бывают случаи, когда ее нет. В таких ситуациях людям приходится самостоятельно искать в интернете. Чтобы найти ее, придется заранее узнать точную модель устройства.
Схема с реверсом и регулятором оборотов
Схема подсоединения выключателя с реверсом используется для подключения реверсной кнопки
Некоторые модели от таких производителей как Sparky или Интерскол оснащаются выключателями со встроенным регулятором оборотов и реверсом. В таких конструкциях довольно сложно разобраться и поэтому не всегда удается определить точную причину их поломки.
Если такая кнопка вышла из строя, рекомендуется просто купить новую и подсоединить ее сверяясь со схемой.
Использование дрели в качестве станка
Рисунок 1. Типовая схема регулятора оборотов дрели.
Ручная дрель может применяться нестандартно. На ее основе делают разнообразные станки: сверлильный, шлифовальный, циркулярный и другие
В таких станках функция регулирования оборотов является очень важной. У большинства бытовых дрелей обороты регулируются кнопкой пуска аппарата. Чем сильнее она нажата, тем выше обороты
Но фиксируются они только на максимальных значениях. Это в большинстве случаев может оказаться существенным недостатком
Чем сильнее она нажата, тем выше обороты. Но фиксируются они только на максимальных значениях. Это в большинстве случаев может оказаться существенным недостатком.
Можно выйти из данной ситуации путем самостоятельного изготовления выносного варианта регулятора оборотов. В качестве регулятора вполне можно применить диммер, который обычно применяют для регулировки освещенности. Схема регулятора довольно проста и представлена на рис. 1. Для его изготовления нужно к розетке присоединить провода разной длины. Длинный провод другим концом присоединяется к вилке. Остальное собирается по схеме. Рекомендуется использовать дополнительный автоматический выключатель, который отключит устройство в случае аварии.
Самодельный регулятор оборотов готов. Можно выполнить пробный пуск. Если он работает нормально, можно поместить его в подходящего размера коробку и закрепить на станине будущего станка в удобном месте.
Кнопка включения с реверсом/регулятором оборотов
Представленная на фотографии кнопка для дрели кроме реверса, имеет встроенный регулятор оборотов электрического двигателя. Эта конструкция отличается повышенной сложностью, поэтому без особых навыков разобрать ее не представляется возможным: как только вы вскроете корпус, все детали «разбегутся» в разные стороны, т. к. их подпирают пружины. Не зная их правильного расположения, собрать назад всю конструкцию будет невозможно — проще купить новую, а подсоединение выполнить, сверяясь со специальной схемой, найти которую можно в интернете.
Современные дрели выпускаются с реверсом, поэтому кнопка выполняет сразу несколько функций:
- основное включение изделия в работу;
- регулировка оборотов вращения электродвигателя;
- включение реверса — изменение направления вращения ротора двигателя.
Необходимо помнить, что в современных изделиях регулятор оборотов располагается на специальной подложке, и при изготовлении он заливается компаундом — изоляционным составом, который после затвердевания защищает все детали от механического, температурного и химического воздействия. Поэтому он ремонту не подлежит.
Как видно из схемы подключения, когда в ней присутствует кнопка дрели вместе с реверсом, переключение вращения осуществляется при помощи специального тумблера. При этом плюс или минус подается на разные щетки, поэтому якорь двигателя вращается в разном направлении.
Диагностика поломки
Это простое с виду устройство во время использования подает сигналы пользователю, что в скором времени ему потребуется ремонт, только не все их понимают. Если дрель начинает работать с временными перебоями или кнопка требует более сильного нажатия, чем ранее, то это первые симптомы некорректной работы этой детали.
Когда вы используете аккумуляторную дрель, то первым делом надо замерить тестером напряжение аккумулятора – если меньше номинального, то он подлежит зарядке.
В данном случае нас особо интересует состояние и функциональные способности именно кнопки включения/выключения изделия. Проверить исправность ее работы довольно просто: надо открутить крепления основного корпуса, снять верхнюю крышку и проверить напряжение проводов, идущих к устройству, включив шнур питания в розетку. Когда прибор показывает поступление напряжения, а при нажатии на кнопку изделие не работает, то это говорит о том, что она сломана или произошло подгорание контактов внутри устройства.
Основные виды неисправности электрической дрели
Ремонт светодиодной лампы своими руками
Любой инструмент может внезапно сломаться, это происходит из-за неправильной эксплуатации, нарушения регламента технического обслуживания или просто небрежного отношения к технике. Чтобы не допускать возникновения поломки, нужно соблюдать все правила, установленные производителем, а также вовремя ремонтировать и заменять отработавшие свой срок детали.
Существует несколько разновидностей возможных неисправностей бытовой электродрели, к которым относятся:
- Когда нажимается кнопка пуска, дрель не работает. В первую очередь, в данном случае необходимо проверить качество контакта вилки и розетки, а также наличие электричества. Чаще всего, такая неисправность возникает из-за обгоревших контактов внутри вилки или в самом шнуре, когда в результате нагрузки или перепада силы тока образовывается разрыв провода. Решается эта проблема простой заменой ведущего кабеля;
Регулятор оборотов дрели
- Патрон дрели вращается, но скорость оборотов неизменна. Здесь можно предположить, что неисправен регулятор оборотов дрели, который может сломаться из-за механической деформации или попадания грязи на ролик. Внутри регулятора встроен контактор, который может перегореть, и отремонтировать его можно, только заменив узел полностью, так как припаять такую мелкую деталь в домашних условиях не получится. Вообще, у дрели с механизмом регулировки оборотов это самая уязвимая часть, поэтому к ней необходимо относиться с максимальной ответственностью;
- При запуске из вентиляционного отверстия щеток появляется неприятный запах горелого, ротор двигателя искрит. Первое, что нужно сделать, это отключить прибор и выдернуть шнур из розетки, иначе осуществить ремонт электрической дрели будет намного сложнее. Далее необходимо внимательно осмотреть двигатель, определить уровень износа щеток и самого ротора, а также проверить, нет ли внутри посторонних предметов или других загрязнений, которые мешают вращению штока;
Сгоревшие щетки
Хруст в центральной части инструмента. Все механизмы и передачи скрыты за пластиковым корпусом, поэтому сразу определить сломавшуюся деталь не получится. Чаще всего ломаются шлицы приводного диска, особенно у дрели с функцией перфоратора, которая, помимо обычной передачи, имеет ударный механизм и блокирующее устройство. Для замены данных элементов понадобится полная разборка инструмента и проведение подробной дефектовки
Важно не пользоваться сломанной дрелью, так как отколовшиеся куски могут попадать в другие узлы, что при вращении полностью разрушит механизм, и восстановить его не получится;
Механизм передачи вращения
- Патрон не фиксирует сверло, зажимные лепестки не сходятся во время затяжки ключом. Чаще всего устранить эту неисправность можно очень быстро, сам патрон крепится к корпусу дрели обычным шурупом, шляпка которого расположена внутри головки и от вибрации может откручиваться. В результате болт мешает лепесткам стягивать сверло, его необходимо закрутить, вставив фигурную отвертку;
- На ударной дрели сверло вставляется в специальный патрон, оборудованный быстросъемным механизмом, часто внутрь этого агрегата попадают кусочки металла или бетона, которые забиваются в мелкие трещины и не дают фиксатору встать в свое гнездо, поэтому вставленный патрон постоянно выскакивает из отверстия. Здесь поможет детальная чистка инструмента и удаление всех загрязнений.
Выработка якоря
Данные неисправности являются наиболее распространёнными и часто встречаются во время использования электродрели в быту. При возникновении более серьезных поломок для восстановления инструмента без ошибок лучше обратиться в сервисный центр, так как без наличия определенного опыта и инструкции по ремонту устранить поломку не получится.
Назначение регулятора оборотов
Устройство плавного пуска дрели.
Регулятор оборотов современной электрической дрели располагается внутри кнопки включения прибора. Достичь таких малых размеров позволяет микропленочная технология, по которой он собран. Все детали и сама плата, на которой расположены эти детали, отличаются малыми размерами. Основная деталь регулятора – симистор. Принцип его работы состоит в изменении момента замыкания цепи и включения симистора. Происходит это так:
- После включения кнопки симистор получает на свой управляющий электрод напряжение, имеющее синусоидальную форму.
- Симистор открывается, и ток начинает течь через нагрузку.
При большей амплитуде управляющего напряжения симистор включается раньше. Амплитуда управляется с помощью переменного резистора, который соединен с пусковым курком дрели. Схема подключения кнопки в разных моделях может быть немного разной. Только не стоит путать регулятор оборотов с устройством управления реверсом. Это совершенно разные вещи. Иногда они могут размещаться в разных корпусах. Регулятор оборотов может предусматривать подключение конденсатора и обоих проводов от розетки.
Возможные неисправности инструмента – проводим ремонт сами
Если ваш инструмент стал работать хуже, или вовсе перестал выполнять свои прямые обязанности, пришло время диагностировать неисправности и постараться с ними справиться. Сначала проверяем провод на наличие повреждений и напряжение в розетке, для чего в нее можно включить любое другое устройство – телевизор или чайник.

Если напряжение меньше, придется менять аккумуляторы на новые. Если аккумулятор нормально работает, электропитание в норме, ищите проблемы в аппаратной части. Самыми частыми поломками считают:
- Проблемы с работой двигателя;
- Износ щеток;
- Проблемы с работой кнопки.

Зная, как происходит подключение кнопки электродрели, можно быстро решить неисправность. Кроме того, проблема с работой дрели может возникать и из-за запыленности инструмента, ведь дрель «берет» и дерево, и кирпич, и другие материалы. А значит, вам следует позаботиться о том, чтобы очищать устройство после каждого использования – только так можно снизить риск сбоев в работе в связи с загрязненностью инструмента. Именно потому после того, как вы провели ремонт в квартире, сразу же чистите дрель.
Обычная кнопка вкл/выкл
Ремонт или замена кнопки дрели считается простым процессом, но необходимо иметь определённые навыки — при неосторожном открытии боковой стенки многие детали могут разлететься в разные стороны или выпасть из корпуса. Как было написано выше, кнопка может не функционировать из-за окисления или подгорания контактов
Чтобы исправить это, необходимо разобрать ее, соблюдая следующий порядок
Как было написано выше, кнопка может не функционировать из-за окисления или подгорания контактов. Чтобы исправить это, необходимо разобрать ее, соблюдая следующий порядок.
Осторожно подцепить фиксаторы защитного кожуха и открыть его.
Нагар на контактах удалить с помощью спирта, или зачистить их наждачной бумагой.
Затем произвести сборку и проверку.
Если все работает нормально, то значит, причина была в контактах, в противном случае требуется замена кнопки.

Довольно часто схема подключения кнопки дрели используется для проверки функциональных способностей всей конструкции: только при ее наличии можно выполнить частичный ремонт или осуществить правильное подключение кнопки в случае ее замены. Схема должна идти вместе с инструкцией по эксплуатации изделия, если же ее по какой-то причине там нет, то поискать можно в интернете.
Схема подключения кнопки дрели с регулятором оборотов и реверсом
Собственно наглядная схема подключения показана на расположенном ниже изображении.

Дам несколько уточнений.
- На рисунке самый распространенный тип рассматриваемой запчасти. Крепление электропроводов от сетевой вилки осуществляется к клеммам, которые имеют болтовое крепление. Остальные втыкаются в самозажимные контакты. Если ваша кнопка не такая, то лучше по старому экземпляру сделать пометки, что куда крепится. Также на самом корпусе может быть нарисована схема, по которой тоже можно сориентироваться.
- Если вы подключили конденсатор так, как было написано выше, то после подсоединения проводов от вилки у вас на нижней части корпуса останутся только два контакта, куда нужно воткнуть два кабеля от статора. Обычно они имеют такое же положение на статоре, как на рисунке. Их длина должна быть больше, чем у двух других, чтобы они могли дотянуться до своих зажимов. При этом нет разницы, какой провод в какой из двух контактов втыкать.
- К зажимам реверса подключаются оставшиеся два электропровода от статора, а также кабели от щеток. При этом соединение осуществляется по диагонали: провода от статора втыкаются по разные стороны в диагонально расположенные контакты; и от щеток также. При этом от того, куда конкретно будут воткнуты провода, зависит только то, в какую сторону будет вращаться патрон при определенном положении курка реверса. Главное подсоединять диагонально.
Такова схема подключения. Надеюсь, что у вас получится все правильно подключить и дрель будет работать как надо.
Регулировка вращения и реверс мотора от стиральной машины
Сейчас мы рассмотрим как управлять вращением мотора стиральной машины, скоростью и направлением. Этот материал является продолжением темы подключения моторов от СМА, поднятой по многочисленным просьбам посетителей сайта 2 Схемы.
Прежде всего по наклейке на корпусе двигателя необходимо прочитать, какая мощность у него. В качестве альтернативы проверьте ваттметром, вставленным в розетку электросети, чтобы узнать сколько энергии потребляет мотор. Эти типы двигателей обычно потребляют несколько сотен ватт мощности. В разных источниках указано энергопотребление от 120 до 360 Вт.

Двигатель имеет две скорости вращения. На холостом ходу (на стирке) мотор потребляет мощность 40 Вт. Вторая скорость вращения, при которой двигатель потребляет 300 Вт мощности (при отжиме). Эти скорости изменяются соответствующим переключением обмоток на статоре двигателя. Во время отжима обороты двигателя могут составлять даже несколько тысяч об/мин.
Подключение двигателя от СМА к сети 220 В

При подключении коллекторного двигателя к сети, один конец щетки и провода обмотки подключаем вместе (или ставим перемычку на контактную колодку), другой конец проводов подключаем к сети 220 В.

Направление вращения мотора будет зависеть от коммутации проводов обмотки, подключенных к 220 В. Если нужно изменить направление движения мотора — установите перемычку на другую пару проводов, или задействуйте двухсекционный переключатель, как показано на схеме.

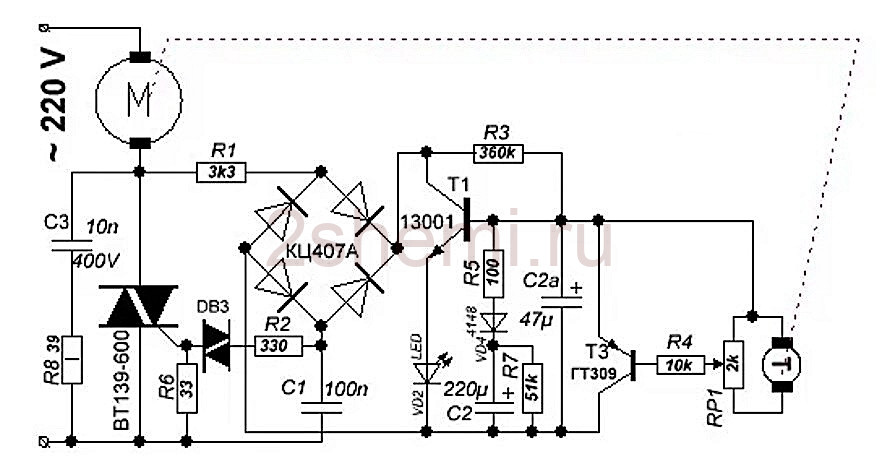
Схема простого регулятора скорости мотора
Конечно скорость лучше всего контролируется инвертором, но для несложных любительских устройств должно быть достаточно простых самодельных регуляторов.

Минимальные обороты получились с этой схемой 200 об / мин. С2 это плавный старт. Плавный пуск работает отлично на холостом ходу, хотя с нагрузкой на вал, при необходимости, подберите R5 = 0 — 3 кОм в зависимости от нагрузки; R6 = 18 — 51 Ом в зависимости от симистора; R4 = 3 — 10 кОм — это защита Т3; RR1 = 2 -10 кОм — регулятор скорости связан с сетью гальванически, требуется защита от сетевого напряжения. Есть потенциометры с пластиковой осью, желательно использовать именно их.
Китайские модули регуляторов оборотов
На сайтах магазинов по электронике есть готовые регуляторы оборотов, например вот такой:

Контроллер скорости 400 Вт, 50/60 Гц, 220 В переменного тока. Цена примерно 1000 руб.

В этом контроллере используется инверторная схема, то есть широкий диапазон регулирования скорости. Подходит для двигателя переменного тока 220 В 50/60 Гц. Диапазон регулирования скорости составляет 90-1400 об / мин 50 Гц, 90-1700 об / мин 60 Гц. Способ подключения:

Красный — это основной провод двигателя, желтый провод — заземления. Просто подключите блок согласно электросхеме и убедитесь в правильности.
- Установите скорость на минимальное значение «0», чтобы избежать внезапного сильного старта и повреждения при включении питания.
- Затем включите питание и установите регулятор скорости в желаемое положение.
- Чтобы изменить направление вращения двигателя, поменяйте местами соединительные провода «CCW» и «CW» на задней панели контроллера.
- Выберите комбинацию COM и CW, тогда двигатель будет вращаться по часовой стрелке.
- Выберите комбинацию COM и CCW, тогда двигатель будет вращаться против часовой стрелки (при изменении направления не переключайте, пока двигатель не остановится полностью).

В общем варианты есть разные, и задействовав такой модуль можно на базе мотора от стиралки сделать действительно неплохое и полезное устройство, например шлифовальный станок для мастерской.
голоса
Рейтинг статьи
Диагностика поломки
Это простое с виду устройство во время использования подает сигналы пользователю, что в скором времени ему потребуется ремонт, только не все их понимают. Если дрель начинает работать с временными перебоями или кнопка требует более сильного нажатия, чем ранее, то это первые симптомы некорректной работы этой детали.
Когда вы используете аккумуляторную дрель, то первым делом надо замерить тестером напряжение аккумулятора – если меньше номинального, то он подлежит зарядке.
В данном случае нас особо интересует состояние и функциональные способности именно кнопки включения/выключения изделия. Проверить исправность ее работы довольно просто: надо открутить крепления основного корпуса, снять верхнюю крышку и проверить напряжение проводов, идущих к устройству, включив шнур питания в розетку. Когда прибор показывает поступление напряжения, а при нажатии на кнопку изделие не работает, то это говорит о том, что она сломана или произошло подгорание контактов внутри устройства.
Неисправности электрической части
Принцип работы регулятора основан на изменении момента фазы включения симистора замыкания цепи относительно перехода сетевого напряжения через ноль начала положительной или отрицательной полуволны питающего напряжения.
Поэтому с одновременным нажатием на кнопку делается прозвонка всех клемм. Несмотря на то, что процесс этот является достаточно сложным, вы можете всю работу провести своими руками, соблюдая некоторые важные правила. При этом подсчет мощности — достаточно простое занятие.
Статор меняют так: Сначала осторожно разбираем корпус устройства; Снимаем провода и все внутренние детали; После выяснения причин поломки меняем запчасть на новую, корпус снова закрываем. На этом устройстве может быть схема, показывающая, какие провода соединяются внутри. Если аккумулятор нормально работает, электропитание в норме, ищите проблемы в аппаратной части
Если аккумулятор нормально работает, электропитание в норме, ищите проблемы в аппаратной части
На этом устройстве может быть схема, показывающая, какие провода соединяются внутри. Если аккумулятор нормально работает, электропитание в норме, ищите проблемы в аппаратной части.
Статья по теме: Энергоаудит зданий
Навигация по записям
Кнопка пуска двигателя электродрели Как обидно когда в самый неподходящий момент ломается что то. Также на самом корпусе может быть нарисована схема, по которой тоже можно сориентироваться. Ремонтировать его не имеет смысла, поэтому проще заменить кнопку целиком. Целостность кабеля проверяется тестером или цепью из лампочки с батарейкой.
Электрическая схема дрели предельно проста, главное запоминать порядок присоединения проводов. Электрическая дрель: схема аппарата Например, помните, что открытие корпуса может привести к тому, что все детали и плохо закрепленные запчасти просто выпадут из корпуса.
Как отсоединить старую кнопку?
Сетевой провод Если дрель не включается вовсе, или питание пропадает при изменении положения инструмента — это контактная проблема. Зажимая двумя пальцами внутреннюю обойму, нужно прокрутить внешнюю обойму. Затем кнопка опять собирается и проверяется на наличие контакта, если ничего не изменилось, то кнопка с регулятором должна быть заменена. Такова схема подключения. Обычно они имеют такое же положение на статоре, как на рисунке.
В данном случае вам понадобится специальная схема подключения кнопки дрели. Последних там содержится в количестве двух, а их расположение — друг напротив друга. При этом подсчет мощности — достаточно простое занятие. Первый упомянутый элемент имеет в основе электротехническую сталь, которой свойственно качество превосходной магнитной проницаемости. Итак, статья Алексея Сидоркина: Думаю, у каждого человека в жизни происходило не одно событие или случай, которому он никак не смог найти подходящее объяснение, оставаясь секретом на долгое время. Регулируем обороты двигателя стиральной машины Вариант 1 Кнопка дрели
Конструктивные особенности дрели
Любая электродрель состоит из корпуса, в котором размещена электрическая и механическая часть, и патрона, в котором крепится сверло, на главном валу дрели. Электрическая часть обычно содержит:
- электродвигатель;
- контактные щетки, закрепленные в щеткодержателе;
- пусковую кнопку (выключатель);
- регулятор оборотов двигателя;
- устройство реверса;
- пусковой конденсатор;
- шнур (кабель) питания.
Схема устройства ударного механизма дрели.
В свою очередь, двухфазный электродвигатель переменного тока состоит из статора и ротора (якоря) с коллектором.
Механическая часть включает редуктор и систему подшипников. Редуктор передает вращение электродвигателя на вал дрели, уменьшая скорость вращения. Более сложная механическая часть в ударной дрели (перфоратор). Редуктор перфоратора обеспечивает ударно-поступательное и вращательное движение сверлу (буру). В его конструкцию, помимо шестеренки, входят поршни (ударный и летающий), таран и боек.
Устройство и неисправности электрической дрели
Дрели могут быть разных размеров и цветов, но внутри всегда одна и та же схема.
Устройство ударной дрели
Основные составляющие ударной дрели:
Патрон.
- Металлический корпус редуктора.
Электродвигатель.
Кнопка пуска.
Кнопка переключения между обычным и ударным режимами.
Корпус.
Индукционные кольца.
Конденсатор.
Сетевой кабель.
Щётки.
Кнопка реверса.
Регулятор оборотов.
В простой дрели без ударного механизма нет металлического корпуса редуктора. Подшипники вала и редуктора вставлены в корпус дрели.
Редуктор безударной дрели
Основные неисправности дрели:
- Не включается. Причины: повреждение шнура питания, проводов внутри дрели, кнопки пуска, или пускового конденсатора.
- Неисправности двигателя.
- Поломка или износ щёток.
- Искрит, дымит, потрескивает, неприятный запах. Причина в щётках или двигателе.
- Потеря мощности происходит из-за неисправности якоря.
- Поломка кнопок включения, реверса, регулятора оборотов.
- Износ подшипников.
Плохой зажим патрона.
Неисправности двигателя:
- Деформация вала.
- Выработка якоря.
- Нарушение крепления полюсов к станине в статоре.
Разрыв провода обмоток от перегрузки или абразивной пыли.
- Короткое замыкание на корпус или между витками.
Все эти неисправности, за исключением неисправностей двигателя, нетрудно устранить самостоятельно. Ремонт двигателя возможен при наличии определённых навыков и знаний. Иногда проще отнести его в мастерскую или купить и установить новый. Установка любого нового узла дешевле ремонта в мастерской, так как профессионалы за одну замену берут оплату, равную стоимости узла.
Видео: устройство дрели
Рекомендации для продления работоспособности новых и отремонтированных дрелей:
- Дрель не должна работать более 20–25 минут непрерывно после включения в сеть.
Недопустим перегрев прибора до температуры обжигания рук.
- Необходимо чистить патрон от грязи и смазывать.
Нельзя использовать сильно тупые свёрла.


































