Цены
Как видите, продукция различных производителей настолько разнообразна по своим характеристикам, что прямое сравнение ее по ценам будет некорректным. Мы указали цены на данные трассоискатели только для того, чтобы показать тенденцию: чем у трассоискателя лучше критичные для поиска кабельных линий факторы (мощнее генератор, больше диапазон частот и т.п.), тем он дороже.
Надеемся, что благодаря нашей статье вы несколько систематизировали свои знания по рынку трассопоисковых приборов и получили минимальные необходимые сведения, в остальную информацию вы без труда найдете на сайте нашей компании или получите у специалистов.
Сезон полевых работ вот-вот начнется. Желаем вам успешного и правильного выбора!
Преимущества трассоискателей одного типа над другим
Преимущество трассоискателей с магнитной антенной перед приборами первой группы в том, что они будут выполнять свои функции на экранированных и бронированных кабелях. Это становится возможным поскольку магнитное поле, создаваемое протекающим по проводнику током проникает через экран и броню, хотя и заметно ослабляется при этом. Именно эта особенность и обусловила чрезвычайно широкое распространение индукционного метода для поиска трасс подземных силовых электрических кабелей, которые, как правило, имеют экранирующую оболочку и металлический экран.
Трассоискатели не могут использоваться для поиска местонахождения повреждений подземных коммуникаций. Для поиска мест повреждений подземных коммуникаций используются трассодефектоискатели.
Принцип действия кабельных трассоискателей
Кроме мониторинга состояния кабельной трассы, рассматриваемые приборы могут также установить точное месторасположение кабеля (причём не только в земле, но и в стенах сооружений), устанавливать глубину его залегания, обнаруживать различные подземные объекты. Их применение особенно эффективно при прокладке новых кабельных сетей, поскольку позволяет оптимизировать объём и трудоёмкость требующихся земляных работ.
Трассоискатель кабельных линий реализует известное явление электромагнитной индукции, при котором любой металлический проводник с током образует вокруг себя электромагнитное поле. В случае силового кабеля – это ток рабочего напряжения линии, для стального трубопровода – вихревой ток наводки. Именно такие токи и улавливаются прибором.
Рассматриваемые приборы могут функционировать по активной и пассивной схеме. Первая более эффективна, а потому преимущественно применяется в тех случаях, когда на исследуемом участке плотно расположено несколько подземных коммуникаций.
Сложность поиска заключается в том, что насыщенность грунта такими проводниками весьма высокая, поэтому в итоговый сигнал, регистрируемый трассоискателем, могут «вплетаться» и источники от других, исправных или не подлежащих в данный момент контролю, линий. Поэтому отличительной особенностью и достоинством современных трассоискателей активного типа является возможность сравнительно простой и — в то же время – точной отстройки показаний, имеющих отношение к строго определённой кабельной линии. Такая возможность определяется наличием в схеме трассоискателя двух самостоятельных узлов – генератора и приёмника сигналов.
Генератор обеспечивает подачу на проводник электрического сигнала определённой частоты. Она не только не может совпадать с обычно используемой для сетей переменного тока частотой 50 Гц, но и должна быть как можно более отличной от этого значения. Таким образом минимизируется вероятность случайных помех или наводок (особенно это касается подземных трубопроводов, ток наводки которых, вообще говоря, неизвестен).

Трассоискатель кабельных линий, работающий по активному типу, в свою очередь может использовать различные способы передачи сигнала:
- Метод прямого подключения характеризуется наличием непосредственного контакта проводника с кабелем. В этом случае сигнал передаётся точно, без искажения;
- Метод индуктивного наведения, когда передача сигнала производится при помощи специальной антенны, причём она должна быть размещена непосредственно над кабелем;
- Метод сопряжения, при использовании которого кабель во время прокладки в определённом месте охватывается регулируемой по диаметру клипсой. Она и создаёт требуемое электромагнитное поле.
Если насыщенность участка подземными сетями невелика, то можно обойтись и трассоискателем, который изготовлен по пассивной схеме. В этом случае для поиска действующего силового кабеля используется та величина электромагнитного поля, которое он создаёт. Однако, кроме простоты схемы, такие приборы отличаются существенным недостатком: они не способны противодействовать помехам от соседних проводников, а потому результирующая точность трассировки заметно ухудшается. Пассивные трассоискатели, в частности, не используются вблизи ЛЭП или электрифицированных участков железных дорог.

Дистанционный поиск кабеля под землей
Поиск кабелей и кабельных трасс, в особенности, находящихся под высоким электрическим напряжением – ответственный вид изысканий. Выведение из строя высоковольтных проводов в ходе земляных работ может привести к авариям на промышленных предприятиях, перебоям с энергоснабжением жилых районов, несчастным случаям, в том числе со смертельными исходами. В процессе поисковых обследований с целью выявления электрокабелей мы используем трассоискатели, позволяющие устанавливать направление, глубину прохождения проводника, по которому пропускается электрический ток. Принцип действия таких приборов заключается в улавливании электрического и магнитного поля, создающихся в районе действующего проводника потоком электронов, переносящим электроэнергию. Наш оператор настраивает оборудование на соответствующий искомой трассе частотный диапазон электромагнитных волн и выполняет серию замеров в месте предполагаемого ее нахождения. Руководствуясь показаниями индикаторов, реагирующих на мощность и направление силовых линий поля, мы с высокой точностью отображаем на плане обнаруженную трассу. Этот метод, позволяющий нам вести поиск кабеля под землей, принимая излученные сигналы, называется пассивным.
Важно!
Если трасса, схему которой нам поручено составить, на момент проведения изысканий отключена от источника электрического тока, пассивный способ не сработает. В этом случае мы будем вынуждены использовать более сложную в реализации методику, вследствие чего цена поиска подземных коммуникаций может возрасти.
Скидки до 10%
Принцип действия кабельных трассоискателей
Кроме мониторинга состояния кабельной трассы, рассматриваемые приборы могут также установить точное месторасположение кабеля (причём не только в земле, но и в стенах сооружений), устанавливать глубину его залегания, обнаруживать различные подземные объекты. Их применение особенно эффективно при прокладке новых кабельных сетей, поскольку позволяет оптимизировать объём и трудоёмкость требующихся земляных работ.
Трассоискатель кабельных линий реализует известное явление электромагнитной индукции, при котором любой металлический проводник с током образует вокруг себя электромагнитное поле. В случае силового кабеля – это ток рабочего напряжения линии, для стального трубопровода – вихревой ток наводки. Именно такие токи и улавливаются прибором.
Рассматриваемые приборы могут функционировать по активной и пассивной схеме. Первая более эффективна, а потому преимущественно применяется в тех случаях, когда на исследуемом участке плотно расположено несколько подземных коммуникаций.
Сложность поиска заключается в том, что насыщенность грунта такими проводниками весьма высокая, поэтому в итоговый сигнал, регистрируемый трассоискателем, могут «вплетаться» и источники от других, исправных или не подлежащих в данный момент контролю, линий. Поэтому отличительной особенностью и достоинством современных трассоискателей активного типа является возможность сравнительно простой и — в то же время – точной отстройки показаний, имеющих отношение к строго определённой кабельной линии. Такая возможность определяется наличием в схеме трассоискателя двух самостоятельных узлов – генератора и приёмника сигналов.
Генератор обеспечивает подачу на проводник электрического сигнала определённой частоты. Она не только не может совпадать с обычно используемой для сетей переменного тока частотой 50 Гц, но и должна быть как можно более отличной от этого значения. Таким образом минимизируется вероятность случайных помех или наводок (особенно это касается подземных трубопроводов, ток наводки которых, вообще говоря, неизвестен).

Трассоискатель кабельных линий, работающий по активному типу, в свою очередь может использовать различные способы передачи сигнала:
- Метод прямого подключения характеризуется наличием непосредственного контакта проводника с кабелем. В этом случае сигнал передаётся точно, без искажения;
- Метод индуктивного наведения, когда передача сигнала производится при помощи специальной антенны, причём она должна быть размещена непосредственно над кабелем;
- Метод сопряжения, при использовании которого кабель во время прокладки в определённом месте охватывается регулируемой по диаметру клипсой. Она и создаёт требуемое электромагнитное поле.
Если насыщенность участка подземными сетями невелика, то можно обойтись и трассоискателем, который изготовлен по пассивной схеме. В этом случае для поиска действующего силового кабеля используется та величина электромагнитного поля, которое он создаёт. Однако, кроме простоты схемы, такие приборы отличаются существенным недостатком: они не способны противодействовать помехам от соседних проводников, а потому результирующая точность трассировки заметно ухудшается. Пассивные трассоискатели, в частности, не используются вблизи ЛЭП или электрифицированных участков железных дорог.

Продукция
Бренд выпускает большое количество с/х техники, самые востребованные – тракторы, системы точного земледелия и комбайны.
Сегодня выпускаются тракторы следующих серий:
- 6G.
- 9 серия TTV.
- 6 серия.
- 7 серия.
- Agrotron X720.
- Agrotron L720.
- Agrotron M620.
- Agrotron 180.
- Agrotrac 130/150/170.
- Agrofarm G115.
- Agrofarm G410/430.
- Agrolux 4.80.
- 6W Profi.
- Agroclimber F.
- Agroclimber.
- Agroplus F-V-S.
Системы точного земледелия используются на многих современных с/х предприятиях. Автоматизированное управление и синхронизация операций существенно увеличивает эффективность работ. Deutz-Fahr предлагает надежную и высокоточную автоматику. Система точного земледелия от Deutz-Fahr это:
- Прием сигналов с использованием всех спутниковых систем, в том числе корректирующих.
- Единый интерфейс для всех процессов и областей применения. Его диагональ может быть 8 или 12 дюймов.
- Системы рулевого управления представлены визуальным, рулевым механизмом с усилителем.
- Высокоточное секционное управление, которое исключает наложения и пропуски.
- Возможность полной автоматизации управления данными.
- Внедрена система безопасности для крупных тракторов, камеры имеет большой угол обзора.
Комбайны:
- Серия С9000.
- HTS 6060//6095.
- C6000.
Правила эксплуатации
Технология ведения современного строительства предусматривает обязательное использование приборов для поиска кабелей. Игнорирование обследования территории строительства может нанести непоправимый ущерб не только имуществу строительной компании, но и причинить вред здоровью ее сотрудников. Несмотря на простоту приборов, пользоваться ими должны только специально обученные сотрудники, которые в своей работе должны строго придерживаться установленных норм и правил эксплуатации данной категории устройств
Перед началом эксплуатации прибора работники должны обратить внимание на следующие меры безопасности:
- строгое соблюдение правил техники безопасности и охраны труда;
- проведение максимально аккуратной транспортировки;
- забивание в землю штыря от прибора в максимальной удаленности от ног;
- подсоединение клещей только при выключенном генераторе.


Категорически запрещается проводить работы во время дождя и грозы, также нельзя касаться руками неизолированной проводки. Этапы проведения работ:
- установка футляра в выбранном месте;
- монтаж штыря заземления;
- подключение всех кабелей;
- установление переключатель диапазонов на 1;
- подача напряжения питания на генератор;
- включение режима генерации;
- подключение поисковой антенны;
- фиксация устройства на корпусе оператора.
Дальнейшая эксплуатация прибора осуществляется согласно стандартной инструкции, которую производитель прикладывает к своему товару
Особое внимание необходимо обратить на сервисное обслуживание прибора. Данная услуга является обязательной в случае обнаружения поломки, устранение которой можно доверять только специалистам
В процессе проведения ремонта допускается применение только оригинальных деталей
В процессе проведения ремонта допускается применение только оригинальных деталей.


В следующем видео вас ждет подробная инструкция по применению трассоискателя.
Немного теории
Итак, трассоискатель – это уникальный прибор, позволяющий обнаружить линию прохождения кабеля или залегания труб. Современные устройства делятся на два типа по принципу работы;
- Контактный принцип;
- Индукционная разновидность.
Прибор, работающий по индукционному принципу, способен определять, как кабель под напряжением, так и пассивную трассировку, то есть, не подающую активных сигналов подземную коммуникацию. Индукционный метод более сложный и базируется на улавливании устройством высоких частот и регистрации данных показателей на специальном индикаторе.
Трассоискатели также подразделяются на одно- и многочастотные. Первые – наиболее приемлемый вариант, такие приборы несложно смонтировать самостоятельно, и применяются они для определения коммуникаций, расположенных под грунтом в том случае, когда одни трассы не пересекают другие, и, таким образом, не перекликаются исходящие от них сигналы.

Многочастотные устройства – более сложная конструкция и используются для определения сигналов трасс в случае высокой плотности кабельных линий и трубопроводов. Мультичастотные устройства способны определять указанную в программе частоту, не сбиваясь на другие. Современные приборы оборудованы программным обеспечением, что значительно облегчает работу, которая для пользователя заключается в одном нажатии на клавишу и прочтении полученной информации, высветившейся на индикаторе.
Основные производители трассоискателей и характерные особенности их продукции
Наиболее компактными и современными считаются трассоискатели от фирмы Tempo (США). Локаторы типа AML обеспечивают своевременный и точный захват оси кабеля, что ускоряет процесс трассировки. Питание трассоискателей – батарейное (создаётся возможность непрерывной работы до 4 часов), а вес прибора не превышает 1 кг. Однако трассоискатели Tempo требуют специально обученного персонала, который верно бы интерпретировал показания приборов. Цена таких трассоискателей, в зависимости от их характеристик и возможностей, находится в пределах 65…140 тыс. руб.
Отечественные трассоискатели 3M Dynatel — полустационарного типа, с индукционными захватами – отличаются наличием фиксированного набора частот (от 4 до 6). Более дешёвые модели не обладают возможностью устанавливать ток утечки, а допускают лишь точное определение места повреждения или прохождения кабеля. Цена комплектов составляет 80…120 тыс. руб.
Бюджетными вариантами трассоискателей, производимых в России, считаются приборы модельной линейки «Поиск». Данные трассоискатели комплектуются специальными антеннами. Они позволяют определять глубину залегания кабеля, и устанавливать дефектный кабель при многожильном варианте прокладки. Цена от 25 до 65 тыс. рублей.

Кроме указанных производителей, для определения неисправности подземных кабелей используется техника от компаний Radiodetection, MetroTech (США), а также отечественные трассоискатели «Сталкер».
Кабелеискатель своими руками схемы

Описание схемы трассоискателя. На рис. 1 схема тонального генератора. RC-генератор собран на транзисторе Т1 и работает в диапазоне 959 – 1100 Гц. Плавная регулировка частоты осуществляется переменным резистором R 5. В коллекторную цепь транзистора Т 2, который служит для согласования генератора Т1 с фазоинвертором Т3 с помощью выключателя Вк1 могут подключаться контакты реле Р1 предназначенного для манипуляции колебаниями генератора Т1 с частотой 2-3 Гц. Такая манипуляция необходима для четкого выделения сигналов в приемном устройстве при наличии помех и наводок от подземных кабелей и воздушных цепей переменного тока. Частота манипуляции определяется ёмкостью конденсатора С7. Предоконечный и оконечный каскады выполнены по двухтактной схеме. Вторичная обмотка выходного трансформатора Тр3 имеет несколько выходов. Это позволяет подключать к выходу различную нагрузку, которая может встретится на практике. При работе с кабельными линиями требуется подключение более высокого напряжения 120-250 Вольт. На Рис.2 изображена схема сетевого блока питания со стабилизацией выходного напряжения 12В.

Принципиальная схема приемного устройства с магнитной антенной — Рис 3. Оно содержит колебательный контур L1 C1. Напряжение звуковой частоты, наведенное в контуре L1 C1 через конденсатор С2 поступает на базу транзистора Т1 и далее усиливается последующими каскадами на транзисторах Т2 и Т3. Транзистор Т3 нагружен на головные телефоны. Не смотря на простоту схемы, приемник обладает достаточно большой чувствительностью. Конструкция и детали трассоискателя. Генератор собран в корпусе и из деталей имеющегося усилителя низкой частоты, переделанного по схеме рис.1,2 . На переднюю панель выведены ручки регулятора частоты R5, и регулятора выходного напряжения R10. Выключатели Вк1 и Вк2 – обычные тумблеры. В качестве трансформатора Тр1 можно использовать межкаскадный трансформатор от старых транзисторных приемников «Атмосфера”, «Спидола” и пр. Он собран из пластин Ш12, толщина пакета 25мм, первичная обмотка 550 витков провода ПЭЛ 0.23, вторичная – 2 х100 витков провода ПЭЛ 0.74. Трансформатор Тр2 собран на таком же сердечнике. Его первичная обмотка содержит 2 х110 витков провода ПЭЛ 0.74, — вторичная 2 х 19 витков провода ПЭЛ 0.8. Трансформатор Тр3 собран на сердечнике Ш-32, толщина пакета 40 мм; первичная обмотка содержит 2 х 36 витков провода ПЭЛ 0.84; вторичная обмотка 0-30 содержит 80 витков; 30-120 — 240 витков; 120-250 – 245 витков провода 0.8. Иногда в качестве Т3 мной использовался силовой трансформатор 220 х 12+12 В. При этом вторичная обмотка 12+12 В включалась как первичная, а первичная как выходная 0 – 127 — 220. Транзисторы Т4-Т7 и Т8, должны быть установлены на радиаторы. Реле Р1 типа РСМ3.
Вопрос 2. Возможно ли трассирование подземных коммуникаций без генератора?

Решение. Если ваше кабельное хозяйство состоит исключительно из силовых кабелей, то вы сможете обходиться без использования генератора. Находящийся под напряжением силовой кабель – прекрасный источник магнитного поля. В некоторых случаях (в зависимости от вашего опыта) вы сможете различать повреждения типа «обрыв» и «короткое замыкание» (ТИ-05-3, ТДИ-05м3, ТДИ-МА), а также воспользоваться контактным методом определения места возникновения повреждения изоляции (о чём будет сказано ниже). Для этого вам подойдут приборы ТДИ-05м3, ТДИ-МА. Однако, с увеличением плотности расположения коммуникаций, решать поставленные задачи будет сложнее.
Обзор производителей
Рынок трассоискателей представлен большим количеством производителей из разных стран мира. Производством данных товаров занимаются европейские, американские и азиатские производители. Специалисты рекомендуют отдавать предпочтение тем производителям, которые на протяжении многих лет занимаются выпуском качественных изделий, а их продукция имеет все разрешительные документы и сертификаты качества
Опытные инженеры рекомендуют обратить внимание на следующие торговые бренды
Radiodetection – английская торговая марка, которая занимается выпуском качественного и долговечного оборудования. Достоинства выпускаемых изделий – длительный период эксплуатации, неприхотливость в обслуживании, простота эксплуатации, возможность использовать в различных климатических условиях, устойчивость к механическим повреждениям, наличие герметичного корпуса, возможность обслуживание в специализированных сервисных центрах Недостатки – отсутствие новых моделей.
Особое внимание необходимо уделить изделиям марки «Успех», выпуском которых занимаются российские производители. С помощью данных изделий специалисты могут найти неисправные кабели, определить положение подземных коммуникаций и глубину их залегания, выяснить градус отклонения систем от оси, а также измерить силу тока и выяснить тип коммуникаций. Достоинства:
Достоинства:
- простота эксплуатации;
- небольшой вес и габариты;
- возможность работы от аккумулятора;
- возможность проведения работ в темное время суток;
- наличие встроенной микропроцессорной системы управления;
- возможность использовать в различных климатических условиях;
- наличие различных режимов индикации;
- возможность работы в пресной воде.
Электромагнитные трассоискатели (локаторы)
Это приборы для определения местонахождения и повреждений подземных токопроводящих инженерных коммуникаций (кабели электро- и телефонных линий, металлические и полимерные, армированные металлическим кордом или снабженные сигнальным проводом трубопроводы для жидкостей и газов, коробы и т. п.) в плане и по глубине залегания. Сегодня трассоискатели являются популярным оборудованием для обслуживания и мониторинга состояния подземных коммуникаций, используются для выявления незаконных врезок, мест закупорки труб, обнаружения под землей тросов и прочей арматуры. В зависимости от узкого назначения приборы могут иметь «говорящие названия»: кабелеискатели, течеискатели, люкоискатели, трассодефектоискатели и т. д.

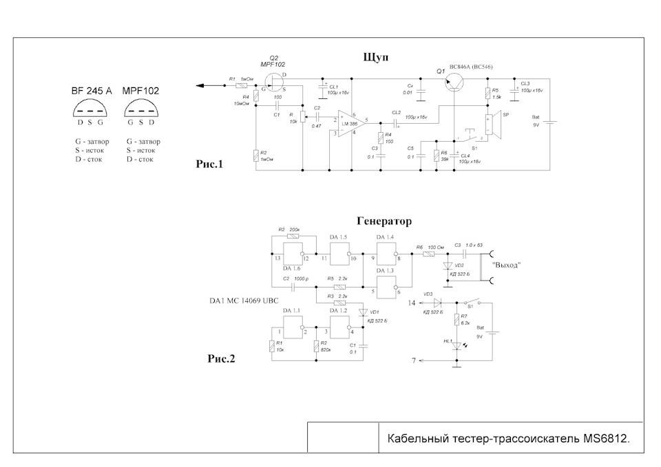
Svyazist-1 › Блог › Кабельный тестер-трассоискатель Mastech MS6812 и его доработка. Часть 2
Часть вторая. Окончание.

И, как вы можете видеть – на плате, помимо переключателя режима работы, находится ещё один переключатель. Это дискретный переключатель громкости.
В интернете нашлась схема тестера:

Для доработки – нас интересует передатчик, названный на схеме генератором. Там указана другая микросхема, но это просто аналог. Русский аналог – это К561ЛН2. Поэтому разницы нет никакой.
Элементы DA 1.1 и DA 1.2 – это генератор длительности тона;
DA 1.3 и DA 1.4 – выходной каскад;
DA 1.5 и DA 1.6 – генератор тона.
Для доработки тестера в двухтональный, достаточно соединить катод светодиода «TONE» с DA 1.1:

Теперь при вот таком положении переключателя, который не выведен наружу:

Мы имеем двухтональный генератор, при переключении переключателя – однотональный. При желании можно, найдя подходящий ползунок, вывести переключатель наружу. Но я не стал этого делать, так как двухтональный сигнал намного легче идентифицируется и более удобен в работе.
Затем, в зависимости от того, что нам требуется найти концы или обрыв, идём к окончанию провода, включаем приёмник и проводя антенной над проводами, по сигналу генератора находим нужные. Для поиска обрыва – ведём антенной вдоль трассы прохождения провода и смотрим, когда пропадёт сигнал генератора.
Также можно искать скрытую проводку 220 вольт. Для этого даже не нужно обесточивать проводку и использовать передатчик. Достаточно приёмника. Проводка довольно точно определяется по фону переменного тока 50 Герц.
Ну и о наводках на соседние провода. Вот тут двухтональный генератор – показал себя просто отлично. Приведу пример. Недавно нужно было выдать номер на старую, давно неиспользуемую розетку в многоэтажном здании. Документации никакой не сохранилось. Пара на розетку уходит с плинтов вот в таком пуке кабелей:

И найти пару традиционным методом занимает довольно много времени, ещё и у телефонной розетки нужно найти и обычную розетку для подключения генератора.
Телефонные кабели идут по зданию, на этажи, в общей куче с электрическими кабелями, сигнализацией, и сетями передачи данных.
Подключаем передатчик к телефонной розетке, и проводим антенной приёмника над плинтами. Плинт был найден моментально. Медленно проводим антенной над парами плинта и находим искомую пару. Все поиски, вместе с беганьем по этажам, для подключения передатчика, заняли пять минут.
Источник
Административные способы поиска водопроводных труб под землей
В черте города при монтаже водопровода прокладывают кабели в красной зоне вдоль улицы. Но рассчитывать на то, что в данном случае все сделано именно так, не стоит.
Монтаж всегда производится на основании технической документации с применением технических средств. На плане место прокладки указано с привязкой к стационарным объектам (здания, сооружения и т.д.). И чтобы узнать, где это, достаточно обратиться к коммунальным структурам, и ознакомиться в информацией.
А чтобы иметь четкое представление о том, где расположены «Т», нужно знать:
- сведения о наличии подземных коммуникаций на участке;
- глубину залегания трубопровода и кабелей;
- точную трассировку с указанием точек привязки и расстояний.
Все необходимые справки и чертежи выдаются отделами архитектуры и градостроительства. В противном случае нужно будет воспользоваться иными методами поиска.
Поиск пластиковых труб
Поиск пластиковых труб под землей
Трубопроводы из полимерных материалов сравнительно недавно получили массовое распространение в нашей стране. Поначалу они использовались исключительно для устройства водопроводов, но сегодня они распространились практически на все инженерные сети, включая газопроводы. Популярность поливинилхлоридных (ПВХ) и прочих полимерных труб связана с их невысокой стоимостью, хорошими прочностными и эксплуатационными характеристиками, а главное – с простотой и высокой скоростью монтажа. Но есть у них и несколько минусов – из-за чувствительности к низким температурам их монтаж должен проводиться в строгом соответствии с действующим техническим регламентом, так как даже незначительное нарушение технологического процесса может привести к скорой аварии. Также пластиковые трубы при отсутствии проектной документации достаточно сложно обнаружить, поскольку некоторые аппаратные способы оказываются неэффективными.
#gates-custom-5e0401d032933 h3:after {background-color:#e6be1e!important;}#gates-custom-5e0401d032933 h3:after {border-color:#e6be1e!important;}#gates-custom-5e0401d032933 h3:before {border-color:#e6be1e!important;}
Это интересно: Как монтировать металлопластиковые трубы с обжимными фитингами — разбираем досконально
Как найти металлическую трубу в земле самостоятельно
Все вышеперечисленные методы подходят и для поиска металлических труб, но трассоискатель является наиболее удобным и предпочтительным вариантом. В некоторых случаях он с высочайшей точностью определит искомые сети под землей даже в пассивном режиме (без применения генератора сигналов), к таким трубопроводам относятся теплосети и газопроводы, т.к. зачастую они имеют ток защиты.
В случае с металлом появляется еще один вариант – это металлоискатель. Несмотря на зависимость от сторонних помех и ограничений по глубине работы, он имеет ряд преимуществ:
- доступность;
- возможность определять чугунные трубы с неметаллическими соединениями;
- относительная легкость в изучении режимов работы при самостоятельном зондировании.
Что касается самостоятельного поиска труб под землей, то это конечно возможно – почти все оборудование можно взять в аренду. В противовес этой идее можно заметить: во-первых, придется потратить существенное время на изучение инструкции, а в случае с георадаром вам, скорее всего, потребуются небольшие курсы, во-вторых, сумма залога будет очень весомым аргументом против.
Активные способы
Возможны три способа подключения генератора:
- Прямое подключение – это подключение генератора напрямую к силовому кабелю через проводник. Это самый простой способ, он доступен даже для устаревших и самодельных трассоискателей.
- Подключение с помощью пассивного устройства сопряжения – устройство сопряжения создаёт наводку только на нужный кабель, требуется доступ к силовому кабелю, для установки.
- Подключение с помощью индуктивной антенны – генератор передаёт сигнал на кабель с помощью специальной антенный, промой контакт с кабелем не требуется, антенна создаёт «наводку» на все кабели в зоне её действия. Метод особо популярен у инженеров-геодезистов, для безопасной разведки грунтового пласта земли, сталкеров, охотников за цветными металлами на заброшенной людьми местности. Судя по отзывам бывалых сталкеров, цена трассоискателя легко окупается за счёт высокой цены на цветные металлы. Схема работы с прибором проста и требует минимальных навыков, вырабатываемых экспериментально в зависимости от типа устройства и методов поиска коммуникации.
Активные частоты генератора при индуктивном методе
Также следует обратить внимание, сколько активных частот предлагает производитель и какие они. Есть мнение, что локация с использованием 2-х активных частот предоставляет ограниченные возможности, поэтому желательно использовать 3 активные частоты, обеспечивающие эффективное решение широкого спектра задач локации инженерных коммуникаций при увеличении избирательности поиска. Любой генератор выдает некий диапазон частот от низких до высоких, и связано это со спецификой поиска
Выбор рабочей частоты определяется видом отыскиваемого повреждения и условиями работы
Любой генератор выдает некий диапазон частот от низких до высоких, и связано это со спецификой поиска. Выбор рабочей частоты определяется видом отыскиваемого повреждения и условиями работы.
Низкий сигнал не будет распределяться на другие коммуникации и, если на трассе отсутствует дефект, может уйти только через заземление, поэтому низкий сигнал незаменим для поиска в городских условиях, чтобы отстроиться от соседних коммуникаций. Высокая частота в связи с ее способностью переходить на соседние коммуникации используется для обнаружения врезок и отводов, при этом она быстрее затухает: чем выше частота, тем быстрее слабеет сигнал.
Чем больше диапазон частот генератора, тем шире возможности поиска.




































