Устанавливаем защитную аппаратуру
Когда все вводные провода будут подведены к электрокотлу, необходимо будет дополнительно защитить его автоматическим выключателеми УЗО, установленным в главном щите.
Предназначение первого устройства – защита оборудования от короткого замыкания и перегрузки проводки. Подключение электрокотла через УЗО позволит защитить Вас от токов утечки.
Также рекомендуется подключить стабилизатор напряжения, т. к. даже небольшие скачки могут вывести агрегат из строя. О том, что необходимо заземлить электрический котел, думаю, говорить не стоит. Главное требование заключается в том, чтобы заземляющий провод велся напрямую от шины к корпусу оборудования.
Система отопления с электрокотлом схема
Электрокотел стал незаменимым помощником для жителей квартиры и частного дома. Обычно при покупке в магазине вам уже предлагают за деньги выполнить подключение котла. Везде суммы разные, но сделать эту операцию сможет каждый хозяин, который потратит 20 минут на прочтение этой статьи. Проводить установку электро котла для отопления вы сможете при помощи схем, которые присутствуют в нашем материале. И еще одно обязательное требование заключается в прочтении инструкции электрокотла, так как основная конструкция не меняется, но мелочи могут повлиять на работу агрегата в дальнейшем.
Что такое бойлер косвенного нагрева и какие они бывают
Водонагреватель или бойлер косвенного обмена — это бак с водой, в котором размещен теплообменник (змеевик или по типу водяной рубашки — цилиндр в цилиндре). Теплообменник подключен к котлу отопления или к любой другой системе, в которой циркулирует горячая вода или другой теплоноситель.
Нагрев происходит просто: через теплообменник проходит горячая вода от котла, она нагревает стенки теплообменника, а они, в свою очередь, передают тепло воде, находящейся в емкости. Так как нагрев происходит не напрямую, то и называется такой водонагреватель «косвенного нагрева». Нагревшаяся вода по мере необходимости расходуется на хозяйственные нужды.
Устройство бойлера косвенного нагрева
 
Одна из важных деталей в данной конструкции — магниевый анод. Он снижает интенсивность процессов коррозии — бак служит дольше.

Есть два типа бойлеров косвенного нагрева: со встроенным управлением и без. Бойлеры косвенного нагрева со встроенным управлением подключаются к системе отопления, работающей от котлов без управления. У них есть встроенный датчик температуры, собственное управление, которое включает/отключает подачу горячей воды в змеевик. При подключении оборудования такого типа все что надо — завести на соответствующие входы подачу и обратку от отопления, подключить подачу холодной воды и к верхнему выходу подключить гребенку раздачи горячей воды. На этом все, можно заполнять бак и начинать ее греть.
 
Обычные бойлеры косвенного нагрева работают в основном с автоматизированными котлами. Во время монтажа необходимо в определенное место установить датчик температуры (есть отверстие в корпусе) и связать его с определенным входом котла. Далее делают обвязку бойлера косвенного нагрева в соответствии с одной из схем. Можно их подключить и к энергонезависимым котлам, но для этого требуются особые схемы (есть ниже).
 
Что ее надо помнить, что воду в бойлере косвенного нагрева можно нагреть чуть ниже температуры теплоносителя, циркулирующего в змеевике. Так что если котел у вас работает в низкотемпературном режиме и выдает, скажем +40°C, то максимальная температура воды в баке будет именно такой. Больше вы ее никак не сможете нагреть. Чтобы обойти это ограничение, есть комбинированные водонагреватели. В них есть змеевик и встроенный ТЭН. Основной обогрев в этом случае идет за счет змеевика (косвенного нагрева), а ТЭН только доводит температуру до заданной. Также такие системы хороши в паре с твердотопливными котлами — вода будет теплой даже тогда, когда топливо прогорело.
 

К каким котлам можно подключать
 
Бойлеры косвенного нагрева могут работать с любым источником горячей воды. Подойдет любой водогрейный котел — твердотопливный — на дровах, угле, брикетах, пеллетах. Можно подключить газовому котлу любого типа, электрическому или работающему на жидком топливе.
 
Схема подключения к газовому котлу со специальным выходом для бойлера косвенного нагрев
 
Просто, как уже писали выше, есть модели с собственным управлением, и тогда их установка и обвязка — более простая задача. Если же модель простая, приходится продумывать систему регулирования температуры и переключения котла с обогрева радиаторов, на обогрев горячей воды.
 
Формы баков и способы установки
 
Бойлер косвенного нагрева может устанавливаться на пол, может — навешиваться на стену. Настенные варианты имеют емкость не более 200 литров, а в напольные могут вмещать до 1500 литров. И в том и в другом случае есть горизонтальные и вертикальные модели. При установке настенного варианта крепление стандартное — кронштейны, которые монтируются на дюбеля подходящего типа.
 
Если говорить о форме, то чаще всего эти устройства сделаны в форме цилиндра. Практически во всех моделях все рабочие выводы (патрубки для подключения) выведены сзади. Так проще подключать, да и внешний вид лучше. На лицевой части панели есть места для установки датчика температуры или термореле, в некоторых моделях есть возможность установки ТЭНа — для дополнительного догрева воды при нехватке мощности отопления.
 
По типу установки они есть настенные и напольные, емкость — от 50 литров до 1500 литров
 
При установке системы, стоит помнить, что система будет работать эффективно только в том случае, если мощность котла будет достаточной.
Где и почем купить электробойлер в Вашем городе
Накопительный электрический водонагреватель Thermex Ultra Slim IU
Система ГВС с двухконтурным котлом (или колонкой), но с бойлером послойного нагрева устраняет все недостатки.
Принцип работы бойлера послойного нагрева ГВС
| Схема ГВС с бойлером послойного нагрева и проточным водонагревателем | 
В последнее время набирает популярность система ГВС с бойлером послойного нагрева, вода в котором нагревается проточным водонагревателем. В таком бойлере отсутствует теплообменник, что снижает его стоимость.
Горячая вода расходуется из верхней части бака. На её место в нижнюю часть бака тут же поступает холодная вода из водопровода. Насосом вода из бака прогоняется через проточный нагреватель газового котла или колонки, и подается сразу в верхнюю часть бака. За счет этого, горячая вода у потребителя появляется очень быстро — не нужно ждать пока прогреется почти весь объем воды, как это происходит в бойлере косвенного нагрева.
Быстрый нагрев верхнего слоя воды, позволяет устанавливать в доме бойлер меньших размеров, а также снизить мощность проточного нагревателя, без ущерба для комфорта.
Производители выпускают двухконтурные котлы со встроенным или выносным бойлером послойного нагрева. В результате, стоимость и габариты оборудования системы ГВС получаются несколько меньше, чем с бойлером косвенного нагрева
Вода в бойлере подогревается заранее, независимо от того, расходуется она или нет. Запас горячей воды в баке позволяет пользоваться горячей водой в доме в течении нескольких часов.
 
Благодаря этому, нагрев воды в баке можно производить довольно длительное время, постепенно накапливая тепловую энергию в горячей воде.
Большая продолжительность нагрева воды позволяет использовать нагреватель сравнительно небольшой мощности.
Схема работы накопительного бойлера послойного нагрева с двухконтурным котломПринципиальная схема подключения накопительного бойлера послойного нагрева к двухконтурному котлу
На схеме стрелками показано направление движения воды в контуре ГВС котла во время работы циркуляционного насоса. Насос включается от датчика температуры, термостата бойлера.
Циркуляция воды в контуре ГВС котла запускает в работу котел в режиме ГВС. Нагретая котлом вода поступает в бойлер, где поднимается вверх. Холодная вода из нижней части бойлера насосом подается в котел. Так продолжается до тех пор, пока вода в бойлере не нагреется до момента срабатывания датчика температуры бойлера. Датчик отключает насос, циркуляция воды в контуре нагрева прекращается и режим ГВС котла отключается.
Горячая вода на водоразборные краны поступает из верхней части бойлера по отдельному патрубку. Такое решение позволяет простыми средствами стабилизировать температуру воды, которая идет потребителю. При расходовании горячей воды из бойлера она замещается холодной водой из водопровода.
Процесс монтажа в нужном порядке (видео)
Итак, проверив стену, к которой будет крепиться котел, и убедившись в ее способности нести необходимую нагрузку. мы оставляем немного свободного места для доступа к котлу (обычно оно указывается в инструкции) и устанавливаем агрегат, проверяя ровность его расположения помощью уровня.
Стена, на которую крепится котел, должна быть выполнена из негорючих материалов.
Монтажная планка пригодится Вам для грамотной установки котла. Трубопроводы должны подбираться исходя из того, какой насос установлен в системе.
В основном, монтаж электрокотла несложен, однако, как и во всяком деле, здесь есть свои интересные моменты. Так, котлы с небольшой мощностью всегда хорошо работают в обычной сети с напряжением в 220В. Другое дело, если модель достаточно мощная, требуется ее подключение к трехфазной сети
Именно поэтому так важно правильно рассчитать сечение кабеля. Правильно подобранный кабель способен выдержать мощность агрегата и без сбоев пропускать ток нужной величины. После того, как котел будет установлен, к нему подводят трубы отопительной системы и системы водоснабжения
Здесь и пригодятся муфты и фланцы
После того, как котел будет установлен, к нему подводят трубы отопительной системы и системы водоснабжения. Здесь и пригодятся муфты и фланцы.
Следующим шагом будет подсоединение к электросети. УЗО и автоматы с необходимыми номиналами устанавливаются предварительно, и выполняются заземлительные работы. Кабель оснащается выключателем, расстояние между контактами которого равняется 3мм. Как только аппарат будет подключен к системе, можно набрать воду, запускать агрегат и проверять его в деле.
Между установкой настенных и напольных котлов почти нет разницы, кроме того, что напольные устанавливаются на специальную подставку.
Схема подключения своими руками – если вы уверены в силах
Установка котлов разделяется на несколько этапов. Прежде всего, необходимо определиться с местом монтажа. Далее нужно установить крепления для котла. Для каждого типа оно свое. Установка крепления для котла – процесс сам по себе не сложный – на данном этапе главное правильно поставить отметки и просчитать систему подвода и подключения труб, а также учесть размеры вашего котла в помещении. Следующий этап – это подключение системы отопления вашего дома и закольцевание труб с контуром котла по схеме подключения.
Последний этап, который актуален только для установки газовых и твердотопливных котлов – это подвод к дымоходной системе. Ну, и, конечно же, проверка системы отопления после проведения всех видов работ. Теперь поподробнее. После разметки и закрепления котла приступаем к определению места дымохода. Если дымоходной системы у вас в доме нет, тогда придется пробивать отверстие в потолке и устанавливать ее. В домах с уже готовыми дымоходами нужно делать пробой в стене, такие системы принято называть турбированными. Самая надежная дымоходная система – это так называемая «труба в трубе».
Особое внимание нужно уделить именно углу наклона трубы. Если она будет размещена неправильно, то в ней может образовываться конденсат, который при попадании в котел может привести к выходу всего агрегата из строя. Если ваша дымоходная система находится в перекрытии, то для нее нужно предусмотреть специальный отвод конденсата
Этот процесс трудоемкий, однако он избавит вас от возможных поломок
Если ваша дымоходная система находится в перекрытии, то для нее нужно предусмотреть специальный отвод конденсата. Этот процесс трудоемкий, однако он избавит вас от возможных поломок.

Схема подключения котла отопления подробно расписана в инструкции к установке, и в процессе работы необходимо следовать всем пунктам. Даже если в схеме подключения это не указано, обязательно в контуре трубопровода котла необходимо поставить фильтры для очистки воды. Особенно это актуально для электрического котла, поскольку наличие фильтров значительно продлевает работу тэнов. Фильтры также предотвращают загрязнение труб различными материалами.
При подключении газового котла необходимо обязательно устанавливать отсекающий кран, с помощью которого вы сможете перекрыть доступ газа к установке, если понадобится надолго оставить дом. После него должен быть газовый фильтр, установку которого требуют все инстанции. Все соединения газовых труб необходимо тщательно запаять. Обычные ленты и другие материалы, используемые для прочих трубных соединений, тут не подойдут.
Установку электрического котла можно производить самому, имея достаточные технические навыки. Подключения такого типа отопления не займет много времени. Для монтажа и дальнейшего использования установки лучше всего подключить себе еще одну линию электропитания. Обязательно нужно сделать заземление для предотвращения поражения электрическим током.

Для правильного подключения цепи электропитания и отвода заземления необходимо пригласить специальные службы или опытного электрика. Среди основных приборов в сети электропитания, помимо стабилизатора, числится и автоматический выключатель, который защитит систему от резкого перепада напряжения, а также позволит отключать котел для проведения работ в будущем. Автоматический выключатель нужно подбирать в зависимости от напряжения, которое подается на ваш котел.
Рекомендации по выбору котла
Выбирая для своего дома газовый котел, придется выбирать между настенной и напольной моделью. Тут сложно сделать выбор, у каждого из них есть плюсы и минусы, нужно учитывать в каких условиях будет работать устройство.
Двухконтурные и одноконтурные модели
Это касается настенных приборов, если вы живете в маленьком доме с кухней и одним санузлом, то покупайте двухконтурный котел – он обеспечит вас горячей водой.
 
Если в доме несколько санузлов, то установите одноконтурный прибор совместно с бойлером косвенного нагрева.
Расход газа
При выборе вы гарантированно поинтересуетесь у продавца: «сколько газа будет расходовать котел на обогрев моего дома». Один продавец назовет цифру 5-6 кубов в сутки, а другой 7-8 кубов. Конечно, вы приобретете тот, который тратит меньше газа.
Ошибка в том, что вы спросили об этом. Никто не может точно сказать какой будет расхода газа. Это зависит не от котла, а от теплопотерь здания. У всех домов они будут свои!
КПД котла
Редкий производитель скажет правду о КПД своей продукции
Важно знать, что у настенных изделий КПД всегда больше, чем у напольных моделей. Потолок этого параметра давно достигнут, и отличатся реальный КПД может только в сотых процентах
Теплообменник из меди или алюминия?
Агрессивная реклама убедила нас не может быть ничего лучше меди. Конечно, это правда, в то же время КПД котла с теплообменником из алюминия через время снижается не более чем на 1%. Но устанавливая алюминиевый теплообменник, изготовитель в самом деле пытается сэкономить.
106 % у конденсационных котлов
Вы можете встретить в магазине конденсационные модели, как утверждают у их очень высокий КПД.
Внимание! Важно понимать – любой котел не способен дать КПД, превышающей 100%
Но изготовители любят говорить о КПД в 106% и больше
По этой причине на эту характеристику не стоит обращать внимание. У всех конденсационных моделей примерно одинаков КПД, он больше, чем у обычных, но не может быть больше 100%
 
Их стоит приобретать только если у вас работает низкотемпературная отопительная система. К примеру, используются теплые полы. Конденсационная конструкция показывает свои качества и дает экономию только при низкотемпературной работе. В других случаях его работа не отличается от традиционных котлов.
Кроме подходящей мощности, нужно учесть функциональность агрегата. Экономную и комфортную работу прибора обеспечивают несколько функций:
- Регулировка поддерживаемой температуры с учетом погоды. К котлу подключается температурный датчик, расположенный на улице;
- Контроль температуры перемещающегося теплоносителя. На трубопроводе и в помещениях устанавливают специальные датчики;
- Программирование. Может быть реализовано как программами, заложенными в контролере, так и вручную;
- Дорогие газовые котлы могут управляться удаленно через GPS соединение.
Расчет мощности котла
Часто при установке просто рассчитывают мощность газового котла, как 1 кВт на 10 м2 площади жилого дома +15% как резерв, предназначенный для пиковых нагрузок. Но более целесообразно подсчитать необходимую производительность оборудования по формуле:
MK=S×UMK/10,
В которой принимается:
- MK – требуемая мощность котла;
- S – общая площадь дома;
- UMK – удельная мощность прибора.
UMK – используется в расчете в виде коэффициента, он изменяется в зависимости от места размещения жилого дома, в России это:
- Юг – 0,7-0,9;
- Средняя полоса – 1,0-1,2;
- Зоны с резко континентальным климатом — 1,2-1,5;
- Дальний восток и север страны – 1,5-2,5.
Эта формула подходит для 1 этажных зданий, построенных в соответствии со СНиПами. Для сооружений по индивидуальным проектам мощность котла находят по другой формуле:
MK=Qt×Kz,
В которой принимается:
- Qt – теплопотери здания, кВт;
- Kz — коэффициент запаса около 15-25%.
Теплопотери здания находят по формуле:
Qt=V×Pt×k/860,
В которой принимают:
- V – объем помещения;
- Pt – разница внутренней и наружной температур;
- K – коэффициент рассеивания, меняется в зависимости от теплоизоляции и конструкционных материалов дома.
Коэффициент рассеивания равен:
- Здания из древесины без теплоизоляции – 3,0-3,5;
- Кирпичные постройки в один кирпич, неутепленной кровлей и простыми окнами – 2,0-2,9;
- Из двойной кирпичной кладки, кровлей утепленной минеральной ватой и с установленными двойными окнами – 1,0-1,9;
- Теплоизоляция чердака и наружных стен проведена пенополистиролом, установлены металлопластиковые окна с двойным стеклопакетом – 0,6-0,9.
Схемы подключения отопления частного дома своими руками
 В случае с монтажом парапетного газового котла, который также может быть двухконтурным, понадобится отдельно устанавливать циркуляционный насос, размещаемый на трубе, являющейся обраткой, а также расширительный бачок и прочие дополнительные обвязки. Даже сегодня есть сторонники такого метода разводки коммуникаций для обогрева помещения.
 Отсутствие кранов и фитингов делает такую систему также самой практичной по причине минимизации риска возникновения протечек или прорывов воды. И никак иначе
 Ставить агрегат допускается своими силами, но при этом важно соблюдать все правила электробезопасности.
 Причем у такого оборудования фактически нет недостатков, кроме высокой пожарной опасности, которая присуща всем котлам. Однотрубная разводка — самый дешевый вариант
Электрический теплый пол Элементарный по укладке и эксплуатации вид отопления.
 Из котла водонагревания выходит одна труба и, последовательно оббегая все радиаторы, возвращается назад. Можно в каждой из комнат увеличивать или снижать температуру по необходимости. При обустройстве асбоцементного дымохода понадобится впоследствии его утеплить минеральной ватой с фольгой.
 Подведение итогов Выше представлена схема установки газового агрегата, который может быть как одноконтурного, таки двухконтурного типа. В этом случае температура всех радиаторов во всех комнатах будет приблизительно одинаковой. В открытом варианте манометр вовсе не требуется. Такие котлы отличаются достаточно высоким коэффициентом полезного действия, но при этом нуждаются в регулярной не менее раз в неделю очистке от продуктов сгорания, монтаже дымохода, организации вытяжной вентиляции и наличии отдельного помещения.
Отопительные приборы
При отсутствии специальных указаний при установке котла используются такие правила: Ширина прохода с лицевой стороны котла должна быть не менее 1м. В небольших частных домах применяются такие типы двухтрубных систем отопления: тупиковая; коллекторная лучевая. Основным минусом такой разводки является некоторое увеличение метража труб. В этом случае горячая вода, идущая от котла, поступает к радиаторам по одной трубе, а отвод уже остывшего теплоносителя выполняется по другой. Считаются одними из самых долговечных и экономичных котлов.
Колебания фиксируются датчиками, и при необходимости система приводит их к нормальным параметрам. Такой насос относится к категории аварийного оборудования и работает на аккумуляторной батарее. Основная задача насоса заключается в подаче остывшей воды в котел для ее нагрева и распределение уже подогретого теплоносителя по системе. К тому же применение такой схемы для отопления с электрокотлом подразумевает сложный процесс балансировки. В комплекте с оборудованием должен идти бокс с защитными автоматами C16, которые монтируются дома рядом с агрегатом.
 Обязательным условием правильной циркуляции воды в самотечной системе является монтаж труб под небольшим — до — углом. Даже при использовании многотарифной системы затраты на обогрев дома таким способом будут на порядок выше, чем в случае с дровяным нагревателем. В основе всех котлов, работающих на твердом топливе, положен принцип Колпакова, когда сперва прогревается котел, а далее температура поддерживается на определенном уровне, чтобы обеспечить стабильность нагрева теплоносителя. Чтобы добиться хорошего эффекта в использовании полученной энергии, необходимо установить тепловой аккумулятор. Ведь батареи пойдут по внутреннему периметру, вдоль несущих стен, причем даже последний радиатор должен располагаться немного выше котла.
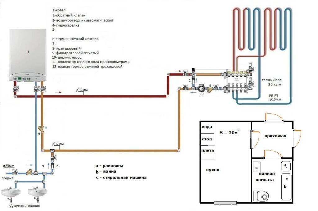
 Подключение теплого пола к системе отопления. 4 способа подключения.
Как подключить газовый котел в частном доме по порядку?
Установить и правильно подключить прибор возможно собственными силами, но для этого требуется одобрение со стороны газовых служб. В ходе проведения работы потребуется вдумчивая деятельность и необходимость бумажной волокиты: согласовании ряда вопросов и получения документов.
Сначала составляется договор с поставщиком природного газа о его поставке в частное домовладение. Они же занимаются и проектом газификации здания и установки необходимого оборудования.
Перед монтажом сверяются все бумаги (сертификат, серийный номер изделия). Если всё в порядке, переходят к монтажу.
Место установки выбирается относительно типа прибора.
Напольный газовый котёл устанавливают на ровной поверхности из негорючих материалов. Используется, например, плитка или бетонная стяжка. А также иногда подкладывают лист оцинкованной стали с выступом с фронтальной стороны до 30 см. Доступ к конструкции должен быть неограничен с любой из сторон.
Важно! Необходимо чтобы котёл располагался в отдалении от электроприборов и источников огня, а также не вплотную к стене. Конструкция должна иметь равномерную нагрузку на все опоры. Конструкция должна иметь равномерную нагрузку на все опоры
Конструкция должна иметь равномерную нагрузку на все опоры.
Настенный газовый котёл закрепляется с помощью кронштейнов (идут в комплекте). Высота установки — около 1 метра над полом. Сначала проводится крепление планок, далее на них монтируют агрегат.
Затем происходит подключение к дымоходу. Перед этим проверяется наличие тяги. Для препятствования утечки токсичных газов, соединения тщательно герметизируются.
Фото 3. Настенный газовый котел, установлен более чем на метр выше от пола, подключен к дымоходу.
25 см — предельная длина отрезка трубы, которая связывает котёл с дымоходом.
Следующий шаг — подключение к водопроводу. Первым делом необходимо установить фильтр для жёсткой очистки воды, что препятствует засорению теплообменника. С обеих сторон от него устанавливаются краны и/или вентили.
Для обеспечения оптимального давления в системе, врезку в водопровод осуществляют или до места, где труба разветвляется, или как можно ближе к её входу в здание. Обычно трубу для подачи воды присоединяют сверху агрегата, для возврата — снизу.
Все коммуникации, обязательно снабжаются запорным механизмом для возможности экстренно перекрыть подачу газа в случае опасности.
Материалы и инструменты
- Разводные ключи и дюбеля;
- строительный уровень для выбора места крепления кронштейнов, его длина не должна быть меньше 1 метра;
- перфоратор с набором свёрл разного диаметра для проделывания отверстий в стене, предназначенных для их закрепления;
- кронштейны — идут в комплекте, но лучше, чтобы было некоторое количество про запас;
- ножницы, чтобы при возможной резке труб не повредить их защитный слой, отвечающий за герметичность;
- калибратор для развальцевания труб;
- вентили, краны — для крепления запорных механизмов;
- листы оцинкованной стали и инструменты для их резки.
Поэтапное подсоединение отопительного контура
Есть несколько способов подсоединения контура к котлу, зависящих от модели и вспомогательного оборудования.
При подключении одноконтурного газового прибора к отопительной системе самый простой способ — использование отсекающих кранов и присоединение контура с их помощью непосредственно к котлу.
Циркуляция теплоносителя происходит в естественном режиме, и в системе устанавливается обычный расширительный бачок.
При подключении двухконтурных аппаратов работа усложняется, так как к котлу подводят двойной комплект труб. По одному течёт непосредственно теплоноситель, а по второму — циркулирует горячая вода. Подсоединение также устанавливается с помощью отсекающих кранов.
Если система закрытого типа, то должны быть установлены дополнительные приборы: циркуляционный насос, мембранный расширительный бачок и группа безопасности.
Подключение к системе отопления
Расположение узлов присоединения к системе отопления (с лицевой стороны):
- слева — подача горячего теплоносителя в контур;
- справа — магистраль обратки.
При подсоединении котла стоит тщательно проверить герметизацию и затягивание узлов, но не нужно чересчур усердствовать из-за риска повредить резьбу и столкновения с проблемой замены всех соединительных элементов.
Необходимо установить и фильтр грубой очистки на обратную магистраль, что продлит срок службы устройства за счёт остановки твёрдых частиц.
Основные требования к помещению для размещения газовых котлов
Пожарная безопасность помещения обеспечивается за счет огнестойкости стен и пола, а также надежной трехкратной естественной циркуляцией воздуха.
Минимальные объемы помещений зависят от тепловой мощности агрегатов:
- До 30.0 кВт – 7.5 м3;
- от 30.0 до 60.0 кВт – 13.5 м3;
- свыше 60 кВт – 15 м3.
Для агрегатов мощностью более 60 кВт на каждый дополнительный кВт добавляется 0.2 м3 объема, например, для газового котла мощностью 150 кВт объем топочного помещения должен равняться:
150-60 = 90 х 0.2 + 15 = 33 м2.
К кухне
Это помещение сегодня является наиболее применимым для обустройства газовых котлов, особенно настенного варианта. Многие пользователи стараются закрыть котел от всеобщего обозрения, поэтому устанавливают его или в специальный короб или закрывают декоративной панелью.
Котел на кухне тоже можно красиво разместить
Для того чтобы газовая служба не наложила запрет на такую установку необходимо знать, и соблюдать нормы размещения котлов на кухне.
По основным параметрам: высоте потолков, минимальной площади и наличию трехкратной циркуляции воздуха требования для кухонь аналогичны другим топочным помещениям.
К квартире
Установить газовый отопительный котел в квартире намного сложнее, особенно в многоэтажном доме, имеющем доступ к центральному отоплению. Владельцу нужно быть очень аргументированным, чтобы получить от местной администрации разрешение на такую установку.
Далее потребуется получить ТУ от всех инженерных служб: горгаза, тепловой сети и балансодержателя дома. Далее по общей схеме выполняется проект, согласовывается в архитектурном ведомстве местной администрации и производится монтаж котла специализированной организацией.
Правила допускают установку котлов в многоквартирных жилых домах не выше 3 этажей и мощностью до 30 кВт. На кухнях, интегрированных в жилую комнату, допускается установка агрегатов закрытого типа.
Все эти действия станут невозможными, если помещение под установку газового котла в квартиру не будет соответствовать общим требованиям. Наиболее сложным будет выполнение сквозного отверстия в стене для подключения дымоотводящей трубы.
К частному дому
В частном доме существует больше возможностей для безопасной установки газового отопительного оборудования. В соответствии с действующими правилами, располагать газовое оборудование допускается исключительно в комнатах с хорошей естественной вентиляцией.
Они могут располагаться:
- На 1-м этаже.
- В цокольных или в подвальных помещениях.
- На чердаке.
- На кухне агрегаты до 35 кВт.
- Тепловой мощностью до 150 кВт – на любом этаже, в индивидуальном здании.
- Тепловой мощностью от 150 до 350 кВт – в пристройках.
К котельной
Пристроенная либо обустроенная внутри дома котельная строится из огнестойких стройматериалов. Внутренняя отделка также выполняется жаростойкой.
Газовая котельная должна иметь:
- Индивидуальный фундамент и бетонный пол, покрытый керамической плиткой.
- Примыкание к глухой сплошной стенке объекта.
- Находиться на расстоянии 1 м от окна и двери.
- Иметь естественную вентиляцию с трехкратным воздухообменом в час.
- Иметь открывающееся окно с площадью остекления о 0.03 м2 на 1 м3 объема топочной.
- Высоту потолков более 2.2 метра.
- Иметь отдельное электропитание с приборами: розетки, выключатели, автоматы.
- Для мощности ниже 30 кВт объем топочной должен быть более 7.5 м3, а для 30-60 кВт — свыше 13.5 м3.
- Забор воздуха для процесса горения газа должен выполняться через коаксиальный дымоотвод, форточку, вентиляционные отверстия.
Виды твердотопливных котлов
Данные устройства различаются разновидностями используемого топлива, количеством топок и камер горения, способом подачи топлива, материалом, из которого они изготовлены. Существуют несколько видов твердотопливных котлов.
Нагреватели постоянного горения
Они изготовляются из чугуна или стали, содержат одну или две топки, работают только на угле и дровах, цикл работы составляет 4–6 часов, топливо подается вручную. Схема управления таким оборудованием в основном механическая, температура котла 60–70 градусов, разница между подачей и обраткой 20 градусов.
Потребляемая мощность от 7 до 50 кВт, а КПД – 80–90%.
Устройства длительного горения
Стальные однотопочные агрегаты – топка расположена сверху, что обеспечивает более длительное горение одной закладки (дрова более 24 часов, уголь – до 144 часов) и равномерный прогрев теплоносителя.
Работает на дровах и их производных (брикеты, опилки, стружка и прочее), а также на угле. Температура котла 70–80 градусов, мощность до 50 кВт, КПД – 90–95%. Подача топлива происходит вручную.
 









Пиролизные твердотопливные
Они производятся из стали, имеют две камеры, соединенные форсункой. Технология заключается в том, что основное топливо (сухие дрова с влажностью не более 25%), сгорая в первой камере, выделяют горючий древесный газ, который воспламеняется во второй камере.
Цикл работы в случае подключения буферной емкости возможен от 6 часов до суток, рабочая температура котла от 70 до 95 градусов, потребляемая мощность до 120 кВт, КПД 90–95%.
Пеллетные
Стальные агрегаты работают на гранулах (пеллетах), изготовляемых из отходов древесины – опилок, стружек и прочее. При наличии съемных колосников есть возможность использовать уголь и дрова.
Достигаемая температура – 70–80 градусов, мощность до 400 кВт, рабочий цикл от 24 до 144 часов.
Схема подачи топлива в таких котлах может быть автоматизирована, управление электронное. Этот вид оборудования используется для отопления помещений с большой площадью.




































